EasyManua.ls Logo

FULTON Caliber - Page 15

FULTON Caliber
56 pages
Print Icon
To Next Page IconTo Next Page
To Next Page IconTo Next Page
To Previous Page IconTo Previous Page
To Previous Page IconTo Previous Page
Loading...
Questions? Call (315) 298-5121, or visit us online at www.fulton.com
SECTION 2 CAL-IOM-2012-1220 INSTALLATION
2-9
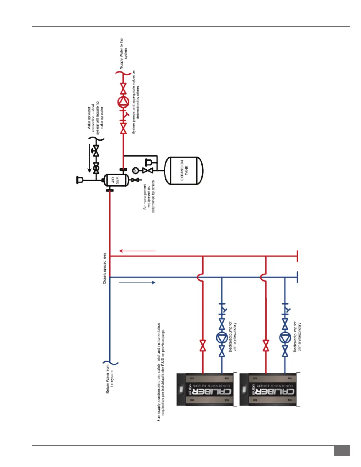
FIGURE 4 - SAMPLE PIPING LAYOUT: MULTIPLE BOILERS IN A COMMON HYDRONIC LOOP, RETURN TEMPERATURE >140 F (60 C)

Table of Contents

Related product manuals