EasyManua.ls Logo

FULTON VSRT 50 - Page 25

FULTON VSRT 50
91 pages
Print Icon
To Next Page IconTo Next Page
To Next Page IconTo Next Page
To Previous Page IconTo Previous Page
To Previous Page IconTo Previous Page
Loading...
INSTALLATION  2
Questions? Call (315) 298-5121, or visit us online at www.fulton.com
2-15
VSRT_IOM_2018-1213
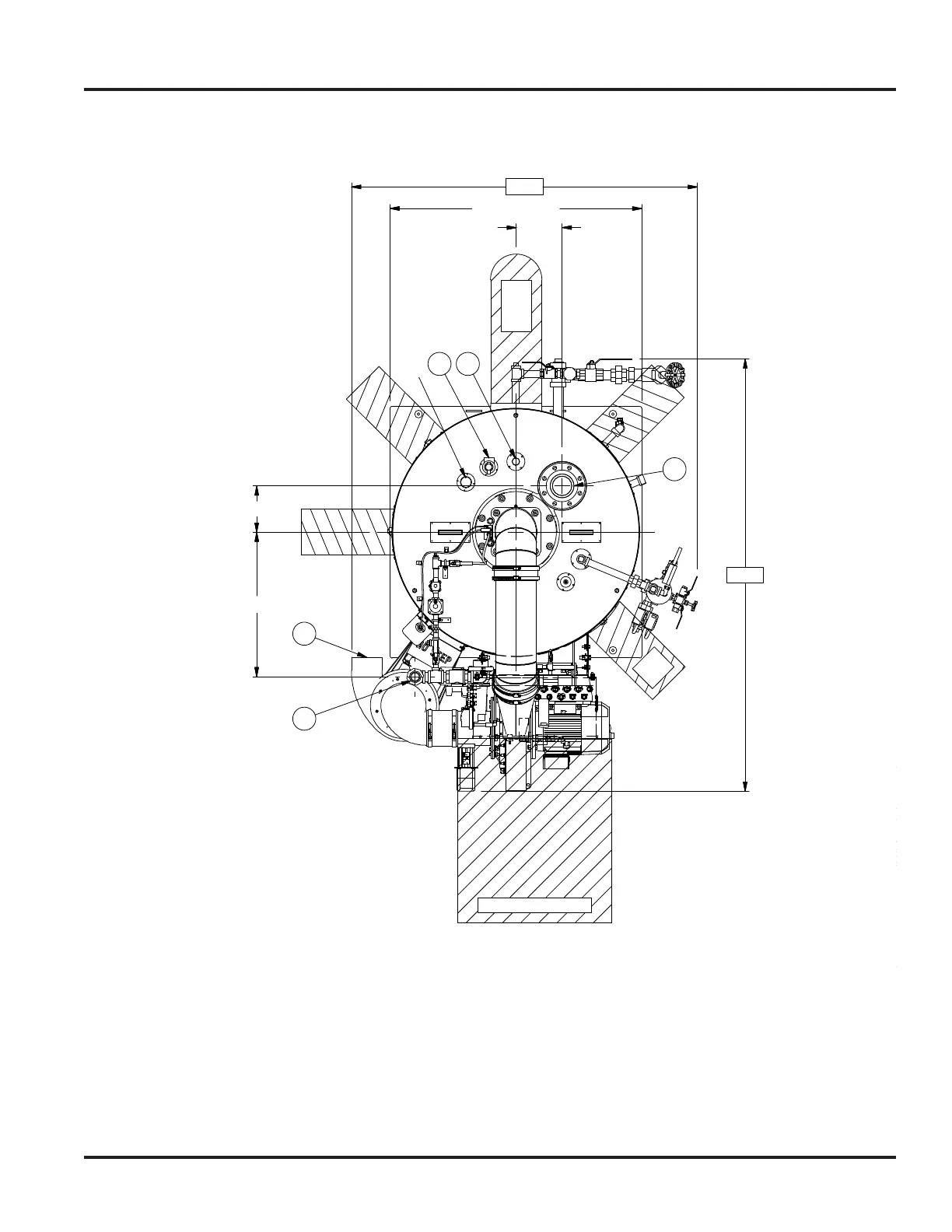
FRONT VIEW
RIGHT SIDE VIEW
TOP VIEW
DRAWN BY:
CHECKED BY:
B.O.M. REVIEW: APPROVED BY:
ELECTRICAL REVIEW:
MECHANICAL REVIEW:
REVISIONDRAWING NUMBER
JOB NUMBER:
PROJECT NAME:
PROJECT MANAGER:
DESCRIPTION:
VSRT-60 GAS FIRED MODULATED STEAM BOILER
(150 PSI)
9-SR-060312 - PDS
-
T. KENNEDY
2/14/2018
N/A
N/A
W.W.
2/16/2018
N/A
E.B.W.
2/16/2018
This design and drawings are
proprietary and are the
exclusive property of The
Fulton Companies. The
corporation do
es not permit
their use except with prior
written consent.
The items shown in this
drawing may be covered by
one or more patents of The
Fulton Companies.
SHEET 1 OF 1
THIRD ANGLE PROJECTION
TOLERANCES
FRACTION &
WHOLE VALUE
(1) PLACE DEC.
(2) PLACE DEC.
1/8
UNLESS OTHERWISE NOTED
DIMENSIONS ARE IN INCHES
0.03
(3) PLACE DEC.
SURFACE FINISH
250 MICRO-INCHES
0.005
0.5 DEGANGLE
0.015
Fulton Steam Solutions, Inc.
F
u
l
o
t
n
SEE NOTES 3 AND 10
SEE
NOTE
4
CUSTOMER CONNECTIONS
ITEM DESCRIPTION SIZE TYPE
A FEED WATER INLET 1" N.P.T.
B BLOWDOWN OUTLET
1 1/2"
N.P.T.
C STEAM OUTLET
4"
150#
D EXHAUST STACK
10"
- - -
E
SAFETY RELIEF VALVE*
1 1/4"
N.P.T.
F
FUEL INLET
1 1/2"
N.P.T.
G WATER COLUMN DRAIN 1" N.P.T.
H SIGHT GLASS DRAIN
1/4"
N.P.T.
J WATER SAMPLE PORT
1/4"
N.P.T.
K STEAM SAMPLE PORT
1/4"
N.P.T.
L SURFACE BLOWDOWN
3/4"
N.P.T.
M
HIGH WATER PROTECTION (CAPPED)
3/4"
N.P.T.
N SINGLE SOURCE POWER
- - -
N.
P.T.
P COMBUSTION AIR INLET
6"
- - -
R
AUXILIARY WATER COLUMN (CAPPED)
1"
N.P.T.
S
SECONDARY SAFETY RELIEF VALVE (CAPPED) 1 1/4"
N.P.T.
S
E
E
N
O
T
E
S
4
A
N
D
1
0
(T
Y
P
. H
.H
.)
28 3/16
9
84 1/4
67 3/8
49 (MIN WIDTH)
C
E
-
INITIAL RELEASE
- - - - -
REVISION HISTORY
REV REVISION DESCRIPTION B.O.M. ELEC. ENG. MECH. ENG CHECKED APPROVED
F
P
S M
21 3/8
64 5/8
99 3/16
103 1/2
NOTES:
1.
2.
3.
4.
5.
6.
7.
8.
9.
10.
11.
STEAM OUTPUT LB/HR: FROM 0 PSIG AT 212
°F (0 KG/CM² AT
100°C)
ALL CLEARANCES ARE FACTORY RECOMMENDATIONS. CONSULT
LOCAL JURISDICTION FOR EXACT CODE COMPLIANCE.
FULTON RECOMMENDS MINIMUM CLEARANCE OF 36" IN FRONT
OF ELECTRICAL PANELS.
FULTON RECOMMENDS 36" CLEARANCE BETWEEN INSPECTION
OPENINGS OF ALL BOILERS, 18" CLEARANCE OF HANDHOLES,
AND 14" FROM EXHAUST STACK.
PLEASE REFER TO THE O&M MANUAL FOR ADDITIONAL
INFORMATION REGARDING CLEARA
NCES AND INSTALLATION
INSTRUCTIONS.
ALL DIMENSIONS INSIDE ( ) DENOTE REFERENCE DIMENSIONS.
ALL DIMENSIONS INSIDE
DENOTE OVERALL DIMENSIONS.
WE RESERVE THE RIGHT TO CHANGE SPECIFICATIONS
AND/OR DIMENSIONS. ALL INFORMATION IS SUBJECT
TO CHANGE BASED ON ADDITION OF ANY OPTIONAL
EQUIPMENT AND/OR ACCESSORIES. PLEASE CONSULT THE
FACTORY FOR PROJECT SPECIFIC ESTIMATES IF
ADDITIONAL OPTIONS OR ACCESSORI
ES ARE REQUIRED.
RECOMMEND STACK RUN IS MINIMUM 24" STRAIGHT OFF
THE REAR OF THE BOILER, PRIOR TO MAKING A
DIRECTIONAL CHANGE.
LOCAL CODES CAN SUPERCEDE FULTON RECOMMENDED
CLEARANCE.
*SIZE DEPENDS ON TRIM PRESSURE.
A
R
L
D
N
G
J
H
K
65 5/8
99 13/16
96 5/8
MAX ALLOWABLE WORKING PRESSURE:
BOILER OUTPUT:
MINIMUM INCOMING GAS PRESSURE:
150 PSI
2,008,500 BTU/HR
2,070 LBS/HR
116 SQ. FT.
333 GAL.
5,100 LBS.
7,864 LBS.
6,000 LBS.
EQUIPMENT SPECIFICATION CHART
APPROXIMATE FLOODED WEIGHT:
MINIMUM DRAFT REQUIREMENT:
BURNER MOTOR WITH VFD:
BURNER TURNDOWN:
9,400 LBS.
10:1
-0.25" W.C.
7.5 HP
APPROXIMATE SHIPPING WEIGHT:
APPROXIMATE OPERATING WEIGHT:
APPROXIMATE D
RY WEIGHT:
WATER CAPACITY (OPERATING):
NET EFFECTIVE HEATING SURFACE:
STEAM OUTPUT/MIN. SRV CAPACITY:
2,392 CU FT/HR
BOILER INPUT:
3" W.C.
BOILER INPUT: (NATURAL GAS)
2,392,000 BTU/HR
ELECTRICAL REQUIREMENTS
VOLTAGE OPERATING FLA
480/3/60
15 AMPS
NOTE: OPERATING FULL LOAD AMPERAGE (FLA)
REFERS TO THE BOILER'S RATED CURRENT DRAW
AT HIGH FIRE. SUBJECT TO CHANGE BASED ON
BOILER CONFIGURATION.
130
CLEARANCE REQUIRED
FOR
BURNER REMOVAL
9
Figure 12 - 40/50/60HP Model VSRT Dimensions -
Top View (All dimensions in inches)
Note 3: Fulton recommends a minimum clearance of 36” in front of the electrical panels.
Note 4: Fulton recommends 36” clearance between openings of all boilers, 18” clearance of handholes, and 18” from exhaust stack.
Note 10: Local codes supercede Fulton recommended clearances.

Related product manuals