EasyManua.ls Logo

Gamry Instruments Interface 1010 - Page 52

Gamry Instruments Interface 1010
94 pages
Print Icon
To Next Page IconTo Next Page
To Next Page IconTo Next Page
To Previous Page IconTo Previous Page
To Previous Page IconTo Previous Page
Loading...
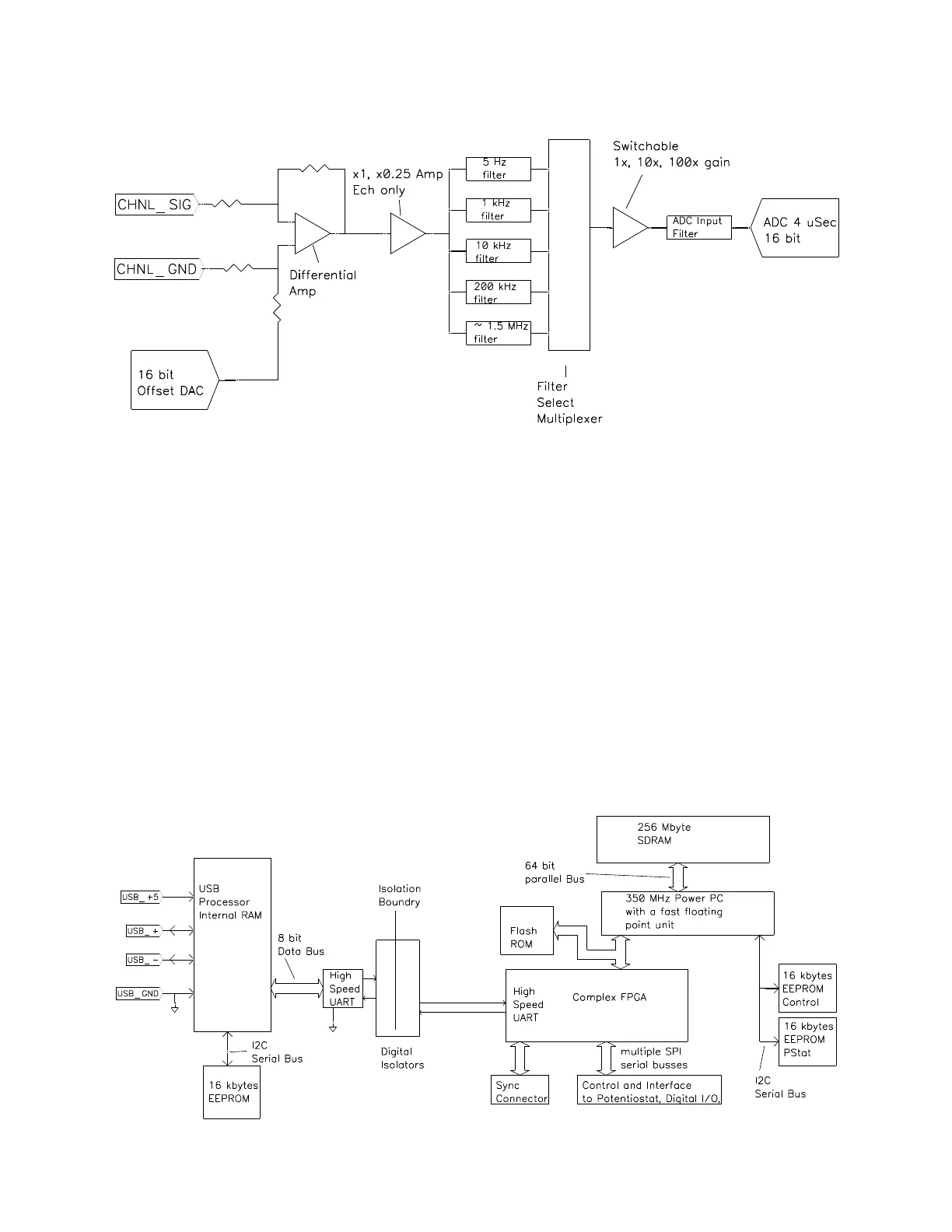
Instrument Circuitry Interface 1010 Schematic/Block Diagrams
52
Figure 7-3
One A/D Signal Chain in the Interface 1010
Notes for Figure 7-3:
This diagram shows one of two identical ADC channels. One channel is dedicated to measurement of
the potentiostat’s current signal and the other is used to measure the voltage signal.
Both A/D converters are triggered simultaneously to start a conversion. This trigger and the pulse
updating the Scan DAC voltage are under the control of a hardware state-machine. This ensures that
all waveform and data-acquisition timing is tightly controlled and reproducible point-to-point.
By default, the data acquisition is synchronized with the systems 600 kHz power-supply switching-
frequency reducing noise from the power supply. Data-acquisition times that are a multiple of 1.666
µs will maintain this synchronization.
All analog signals are received differentially as shown here.
The 5 Hz, 1 kHz, 10 kHz, 200 kHz and 1.4 MHz filters are two-pole Butterworth filters.
The voltage-measurement channel includes a programmable 1×−0.25× gain circuit. In the 0.25 gain
position, voltages as high as 12 V can be measured.
Figure 7-4
Microprocessors in the Interface 1010

Table of Contents