EasyManua.ls Logo

Gamry Instruments Interface 1010 - Page 53

Gamry Instruments Interface 1010
94 pages
Print Icon
To Next Page IconTo Next Page
To Next Page IconTo Next Page
To Previous Page IconTo Previous Page
To Previous Page IconTo Previous Page
Loading...
Instrument Circuitry Interface 1010 Schematic/Block Diagrams
53
Notes for Figure 7-4:
Note the lack of a ground connection between the USB bus and the Interface 1010 circuitry.
The USB Processor firmware is loaded into its RAM on power-up.
The Power PC firmware is also transferred from ROM into RAM on power-up. Time-critical sections of
the Power PC code are kept in the processor’s fast cache memory.
The term UART refers to a Universal Asynchronous Receiver Transmitter. It converts parallel data to a
serial bit-stream. The UARTs send data at 6 Mbits/second.
The Interface 1010 has local non-volatile data storage. This is used to save calibration data and board-
revision information. Interface 1010 calibration data is stored in the instrument, not in a data file.
When an Interface 1010 is moved from one computer to another, its calibration remains valid.
The FPGA code can be updated in the field over the USB connection.
The Gamry Instrument Manager can be used for field update of all three programmable parts: the USB
Processor, the Power PC, and the FPGA. Binary code for the updates can be obtained from the Gamry
Website. If you need assistance with field updates, contact Gamry technical support at
techsupport@gamry.com or contact your local Gamry representative.
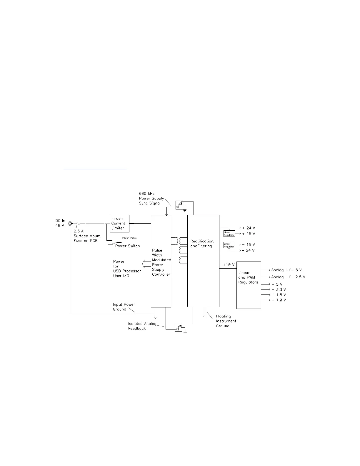
Figure 7-5
Power Conversion
Notes for Figure 7-5:
Note the ground isolation between the input power and the Interface 1010 circuitry. The Interface
1010 chassis is connected to the Floating Instrument Ground.
o Transformers and digital isolators are the only components connected between the grounds.
The 600 kHz power supply sync signal is derived from the same clock used to control data acquisition.
Data points taken at an integer multiple of 1.6666 µs/point will be synchronized with the power
supply, minimizing the effect of power supply noise on the data.
The DC-DC Converter powers both the floating circuitry and some earth-side circuitry including the
USB processor and User I/O.

Table of Contents