EasyManua.ls Logo

Gamry Interface 1000 - Page 53

Gamry Interface 1000
88 pages
Print Icon
To Next Page IconTo Next Page
To Next Page IconTo Next Page
To Previous Page IconTo Previous Page
To Previous Page IconTo Previous Page
Loading...
Chapter 6 -- Instrument Circuitry--Interface 1000 Schematic/Block Diagrams
6 - 5
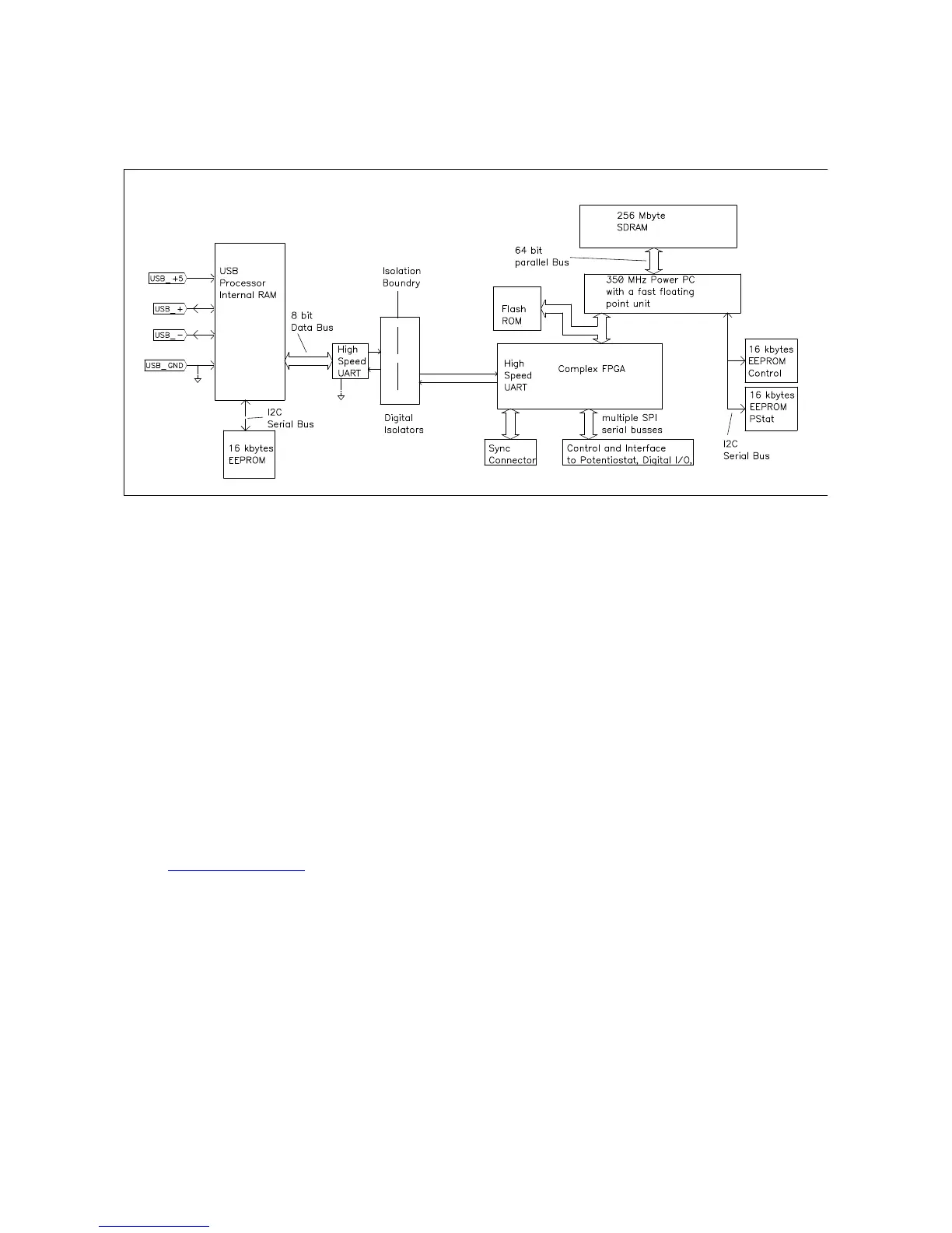
Figure 6-4
Microprocessors in the Interface 1000
Notes for Figure 6-4:
Note the lack of a ground connection between the USB bus and the Interface 1000 circuitry.
The USB Processor firmware is loaded into its RAM on power-up.
The Power PC firmware is also transferred from ROM into RAM on power-up. Time critical sections of
the Power PC code are kept in the processor’s fast cache memory.
The term UART refers to a Universal Asynchronous Receiver Transmitter. It converts parallel data to a
serial bit stream. The UARTs send data at 6 Mbits/second.
The Interface 1000 has local non-volatile data storage. This is used to save calibration data and board
revision information. Interface 1000 calibration data is stored in the instrument, not in a data file.
When an Interface 1000 is moved from one computer to another, its calibration remains valid.
The FPGA code can be updated in the field over the USB connection.
The Windows device manager can be used for field update of all three programmable parts: the USB
Processor, the Power PC, and the FPGA. Binary code for the updates can be obtained from the
Gamry Website. If you need assistance with field updates, contact Gamry technical support at
support@gamry.com or contact your local Gamry representative.

Table of Contents

Other manuals for Gamry Interface 1000

Related product manuals