EasyManua.ls Logo

Gamry Interface 1000 - Page 54

Gamry Interface 1000
88 pages
Print Icon
To Next Page IconTo Next Page
To Next Page IconTo Next Page
To Previous Page IconTo Previous Page
To Previous Page IconTo Previous Page
Loading...
Chapter 6 -- Instrument Circuitry--Interface 1000 Schematic/Block Diagrams
6 - 6
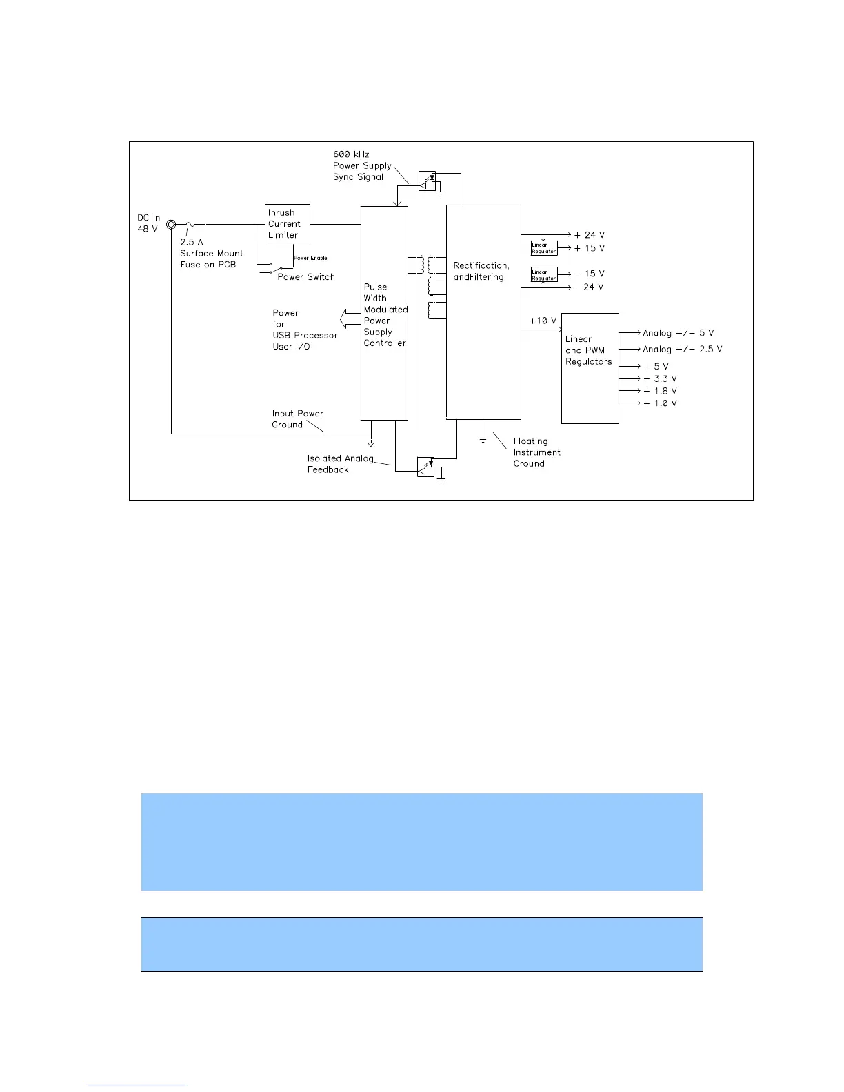
Figure 6-5
Power Conversion
Notes for Figure 6-5:
Note the ground isolation between the input power and the Interface 1000 circuitry. The Interface 1000
chassis is connected to the Floating Instrument Ground.
Transformers and digital isolators are the only components connected between the grounds.
The 600 kHz power supply sync signal is derived from the same clock used to control data acquisition.
Data points taken at an integer multiple of 1.6666 µSec/point will be synchronized with the power supply,
minimizing the effect of power supply noise on the data.
The DC-DC Converter powers both the floating circuitry and some earth-side circuitry including the USB
processor and User I/O.
Additional circuitry protects the Interface 1000 against ESD and electrical surges.
Like most complex electronic apparatus, the Interface 1000 uses a variety of power supply voltages.
The incoming DC voltage must be between 46 and 50 volts. With inputs below 46 volts, the PWM may
be unable to regulate the supply. Above 50 volts, the PWM may not start-up.
Warning
Do not use a DC power source other than the AC adapter model provided
with your Interface 1000 or a Gamry supplied alternative. Other power
sources may void the performance
and/or safety characteristics of the Interface
1000
Caution
Power input voltages less than 40 volts or greater than 52 volts can damage the Interface
1000’s power supply

Table of Contents

Other manuals for Gamry Interface 1000

Related product manuals