EasyManua.ls Logo

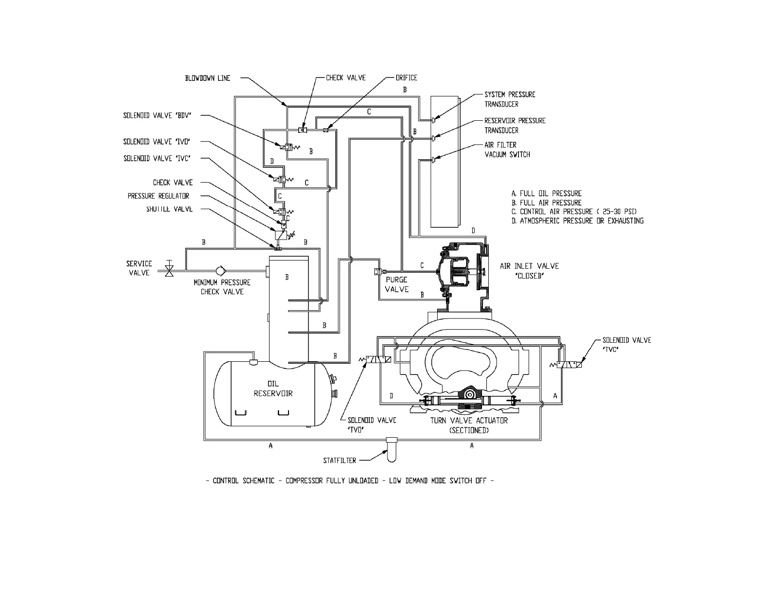
Gardner Denver AUTO SENTRY EAU99P - Figure 4-8 - Control Schematic - Compressor Fully Unloaded - Low Demand Mode Switch off

Gardner Denver AUTO SENTRY EAU99P
72 pages
Print Icon
To Next Page IconTo Next Page
To Next Page IconTo Next Page
To Previous Page IconTo Previous Page
To Previous Page IconTo Previous Page
Loading...
13-10-615 Page 35
Figure 4-8 – CONTROL SCHEMATIC – COMPRESSOR FULLY UNLOADED – LOW DEMAND MODE SWITCH OFF
207EAU797-B
(Ref. Drawing)

Table of Contents

Related product manuals