EasyManua.ls Logo

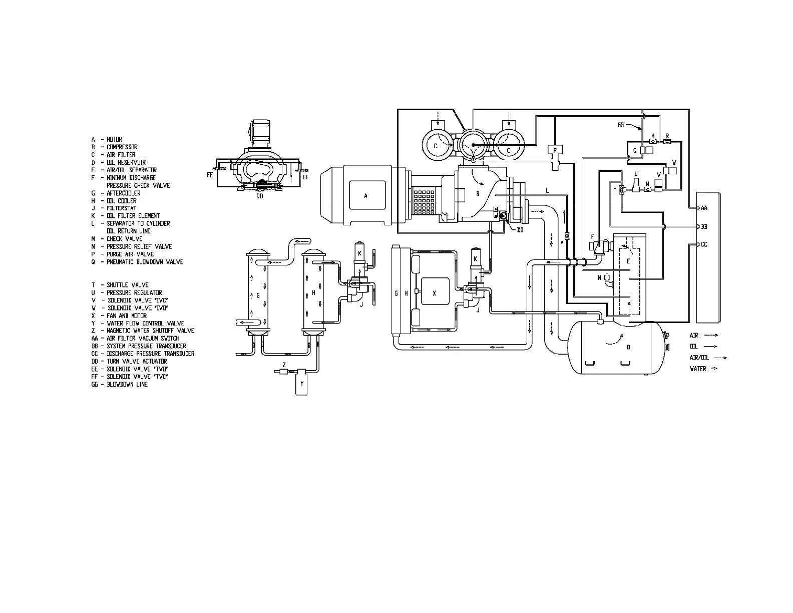
Gardner Denver AUTO SENTRY EAU99P - Figure 5-3 - Flow Diagram

Gardner Denver AUTO SENTRY EAU99P
72 pages
Print Icon
To Next Page IconTo Next Page
To Next Page IconTo Next Page
To Previous Page IconTo Previous Page
To Previous Page IconTo Previous Page
Loading...
13-10-615 Page 43
Figure 5-3 – FLOW DIAGRAM
210EAU797-B
(Ref. Drawing)

Table of Contents

Related product manuals