EasyManua.ls Logo

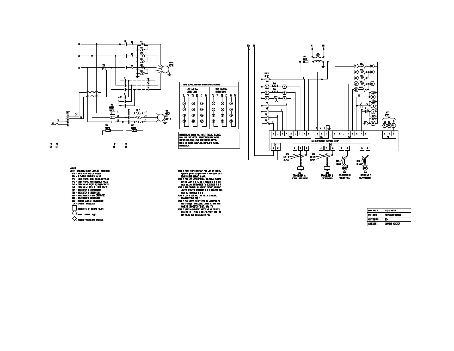
Gardner Denver AUTO SENTRY-ES+ - Figure 1-5 - Wiring Diagram

Gardner Denver AUTO SENTRY-ES+
38 pages
Print Icon
To Next Page IconTo Next Page
To Next Page IconTo Next Page
To Previous Page IconTo Previous Page
To Previous Page IconTo Previous Page
Loading...
13-9-653 Page 19
Figure 1-5 – WIRING DIAGRAM
301EAQ546-B
(Ref. Drawing)
Page 1 of 2

Table of Contents

Related product manuals