EasyManua.ls Logo

GE 469 - Page 30

GE 469
336 pages
Print Icon
To Next Page IconTo Next Page
To Next Page IconTo Next Page
To Previous Page IconTo Previous Page
To Previous Page IconTo Previous Page
Loading...
1–22 469 MOTOR MANAGEMENT RELAY – INSTRUCTION MANUAL
CHAPTER 1: GETTING STARTED
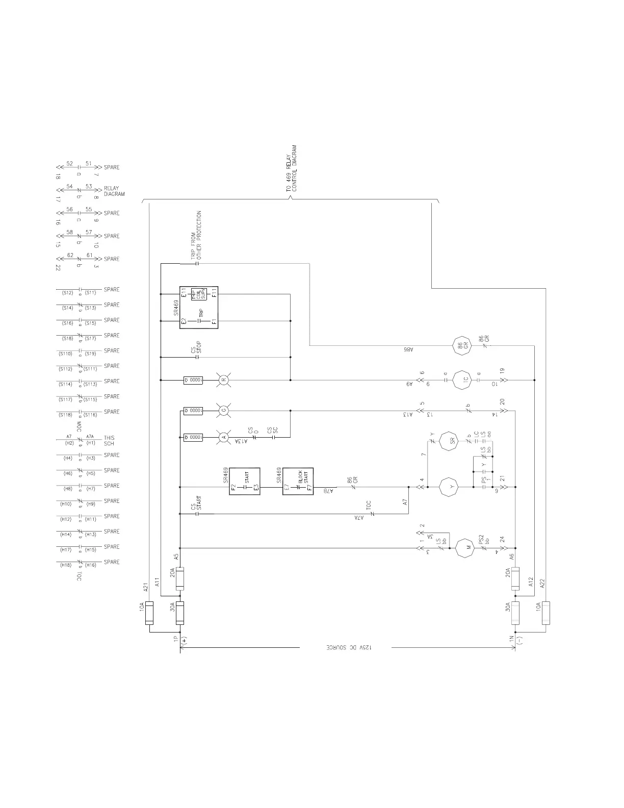
FIGURE 1–4: Typical Breaker Control Diagram
806551A1.CDR

Table of Contents

Other manuals for GE 469

Related product manuals