EasyManua.ls Logo

GE 469 - Digital Inputs

GE 469
336 pages
Print Icon
To Next Page IconTo Next Page
To Next Page IconTo Next Page
To Previous Page IconTo Previous Page
To Previous Page IconTo Previous Page
Loading...
3–18 469 MOTOR MANAGEMENT RELAY – INSTRUCTION MANUAL
CHAPTER 3: INSTALLATION
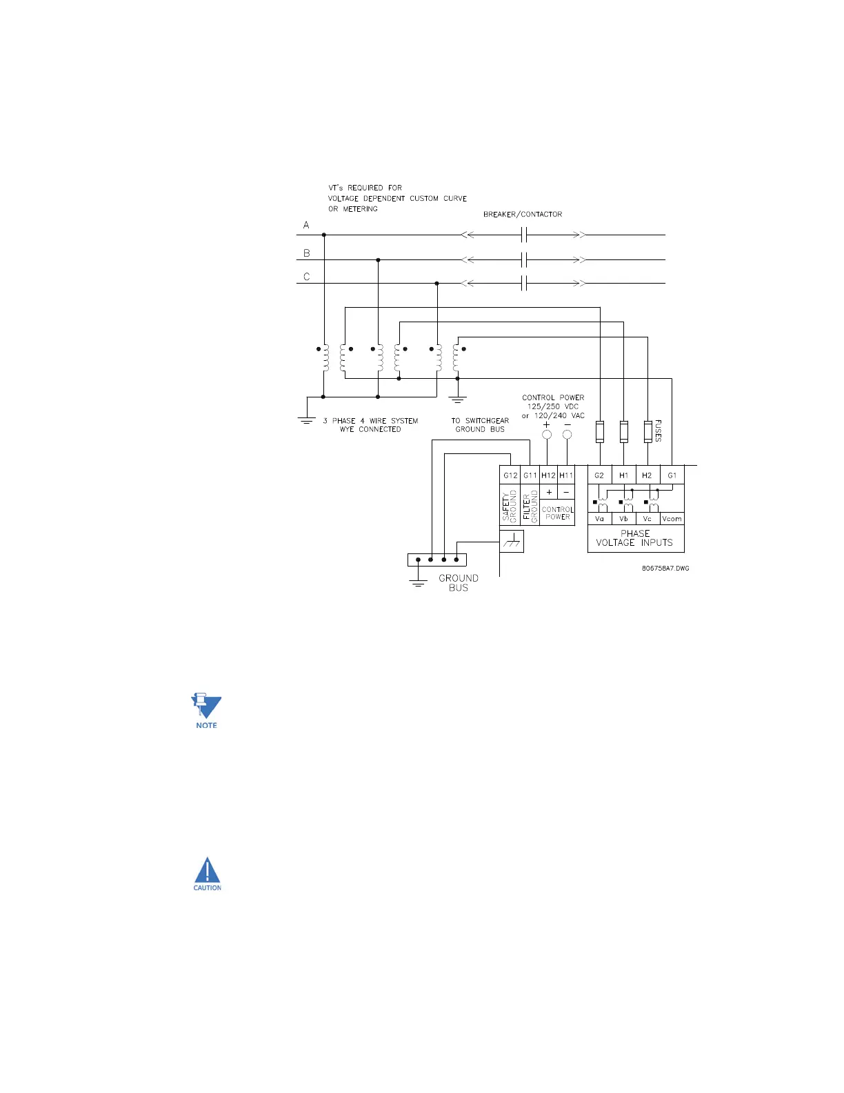
Polarity of the VTs is critical for correct power measurement and voltage phase reversal
operation.
A 1 A fuse is typically used to protect the inputs.
FIGURE 3–20: Wye Voltage Transformer Connection
3.2.6 Digital Inputs
Note
The digital inputs of the 469 relay are designed for dry contact connection. In an
application where the contact inputs need to be connected to the 469 relay digital inputs
using long cable, it is recommended that you use interposing auxiliary contacts to
interface between the 469 relay and the long digital input cable. This will help prevent the
relay falsely sensing the digital input as "closed" due to induced voltage on the cables as a
result of the capacitive effect. It is recommended that you use shielded twisted pair wires
grounded at one end only, for digital inputs and avoid locating these wires in close to
current carrying cables, contactors or other sources of high EMI.
DO NOT INJECT VOLTAGES TO DIGITAL INPUTS. DRY CONTACT CONNECTIONS ONLY.
There are 9 digital inputs designed for dry contact connections only. Two of the digital
inputs (Access and Test) have their own common terminal; the balance of the digital inputs
share one common terminal (see FIGURE 3–12: Typical Wiring Diagram on page 3–11).

Table of Contents

Other manuals for GE 469

Related product manuals