EasyManua.ls Logo

GE CT-9800 - Page 256

GE CT-9800
510 pages
Print Icon
To Next Page IconTo Next Page
To Next Page IconTo Next Page
To Previous Page IconTo Previous Page
To Previous Page IconTo Previous Page
Loading...
GE MEDICAL SYSTEMS CT 9800 QUICK SYSTEM
Rev. 12 Direction 18000
6-9A-2
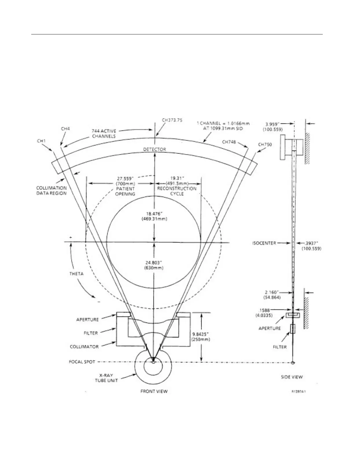
Directions in the gantry geometry are defined as follows:
Theta - Along the tangent to gantry rotation; i.e., clockwise (+) or counter clockwise (-) on the rotating
structure. 0° theta is defined with the tube unit at bottom dead center.
Z Axis - Parallel to the axis of gantry rotation; i.e., towards or away from the patient table, or in the
direction of cradle motion. + is toward the table, - is away from the table.
Radial - Along the radius from the center of gantry rotation; i.e., in and out from the gantry isocenter.
ILLUSTRATION 6-9A-2

Table of Contents

Related product manuals