EasyManua.ls Logo

GE MI-869 - Page 319

GE MI-869
552 pages
To Next Page IconTo Next Page
To Next Page IconTo Next Page
To Previous Page IconTo Previous Page
To Previous Page IconTo Previous Page
Loading...
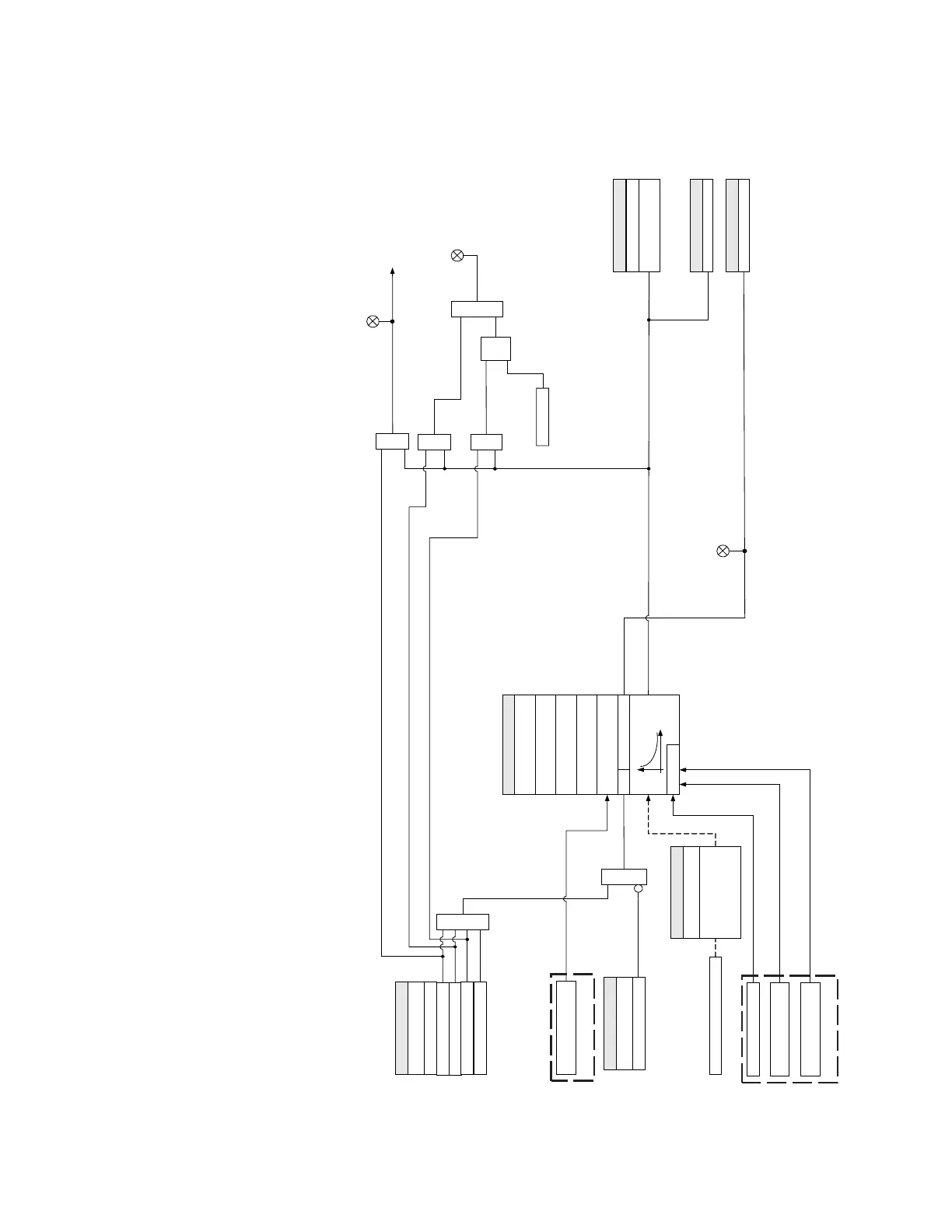
CHAPTER 4: SETPOINTS PROTECTION
869 MOTOR PROTECTION SYSTEM – INSTRUCTION MANUAL 4–201
Figure 4-67: Ground Time Overcurrent Protection logic diagram
SETPOINTS
RUN
SETPOINTS
FUNCTION:
Disabled = 0
Trip
PICKUP :
CURVE :
TDM :
Ig > PICKUP
AND
Operate Output Relay 1 (TRIP)
LED: PICKUP
LED: TRIP
Alarm
OR
OR
Adjust PKP
AND
Latched Alarm
AND
RESET:
Ground current (Ig)
From Ground CT
SETPOINTS
BLOCK :
Off = 0
From Autoreclose
(per shot settings)
From Cold Load Pickup
LED: ALARM
RESET
Command
AND
S
R
LATCH
SETPOINTS
Do Not Operate, Operate
RELAYS
SETPOINTS
INPUT:
Phasor, RMS
Configurable
Ground TOC 1 PKP
FLEXLOGIC OPERANDS
Ground TOC 1 OP
FLEXLOGIC OPERANDS
DIRECTION :
Direction ( from Ground
Directional OC element )
Set
Dominant
From Manual Close
Blocking
89$.cdr
850 Only
850, 889, 845 Only

Table of Contents

Related product manuals