EasyManua.ls Logo

GE MI-869 - Page 391

GE MI-869
552 pages
Print Icon
To Next Page IconTo Next Page
To Next Page IconTo Next Page
To Previous Page IconTo Previous Page
To Previous Page IconTo Previous Page
Loading...
CHAPTER 4: SETPOINTS MONITORING
869 MOTOR PROTECTION SYSTEM – INSTRUCTION MANUAL 4–273
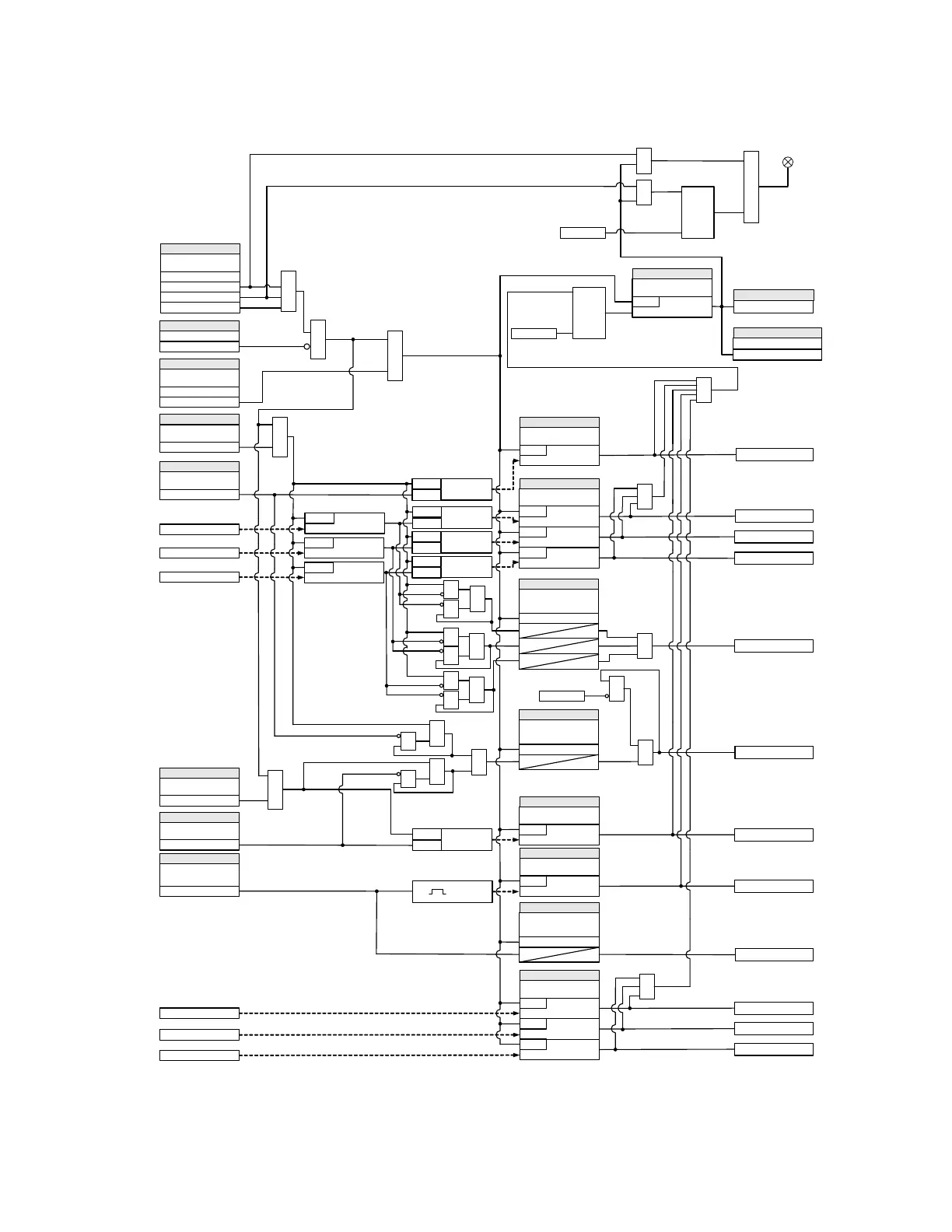
Figure 4-106: Breaker Health and Operation logic diagram
89$1.cdr
SETPOINTS
BLOCK :
Off = 0
AND
SETPOINTS
BKR HEALTH
FUNCTION :
Disabled
Alarm
Latched Alarm
Configurable
OR
t _arc_A
START
FlexLogic Operands
BKR1 Hlth Trip PKP
AN D AND
Command
RESET
OR
LED : ALARM
S
LATCH
Set-
Dominant
R
SETPOINTS
BKR HEALTH
MODE :
Detection
Monitoring
SETPOINTS
BKR HEALTH
TRIP TRIGER :
Off =0
SETPOINTS
BKR HEALTH
BKR OPEN STATUS :
Off =0
Current Inputs
Phase A Current (ia)
Phase B Current (ib)
Phase C Current (ic)
STOP
ia < 0.02 xCT for one cyc
ib < 0.02 xCT for one cyc
ic < 0.02 xCT for one cyc
t _arc_B
START
STOP
t _arc_C
START
STOP
t _trip
START
STOP
t_
trip PKP
RUN
SETPOINTS
BKR HEALTH
TRIP TIME PICKUP :
(t_arc_A-t_trip-1 cyc) PKP
RUN
SETPOINTS
BKR HEALTH
ARC TIME PICKUP :
(t_arc_B-t_trip-1 cyc) PKP
RUN
(t_arc_C-t_trip-1 cyc) PKP
RUN
SETPOINTS
BKR HEALTH
CLOSE TRIGER :
Off =0
SETPOINTS
BKR HEALTH
BKR CLOSE STATUS :
Off =0
SETPOINTS
BKR HEALTH
SPRING CHARGE
STATUS :
Off =0
t _close
START
STOP
t _charge
t_close PKP
RUN
SETPOINTS
BKR HEALTH
CLOSE TIME PICKUP :
t_charge PKP
RUN
SETPOINTS
BKR HEALTH
CHARGE TIME PICKUP :
START
START
START
Arc Energy Inputs
IA
2
t cycle
IB
2
t cycle
IC
2
t cycle
IA
2
t PKP
RUN
SETPOINTS
BKR HEALTH
ARC ENERGY PICKUP :
IB
2
t PKP
RUN
IC
2
t PKP
RUN
BKR1 Hlth Cls PKP
BKR1 Engy PKP A
BKR1 Hlth Chg PKP
OR
OR
OR
BKR1 Engy PKP B
BKR1 Engy PKP C
BKR1 Arc PKP B
BKR1 Arc PKP C
BKR1 Hlth PKP
BKR1 Arc PKP A
t_IAT
RUN
SETPOINTS
BKR HEALTH
INCOMPLETE ARC
TIME :
t_IAT
t_IAT
OR
AND
OR
AND
AND
OR
AND AND
OR
AN D
t_ITCT
RUN
SETPOINTS
BKR HEALTH
INCOMPLETE TRP /CLS
TIME :
OR
OR
AND
OR
AND
t_ICT
RUN
SETPOINTS
BKR HEALTH
INCOMPLETE CHARGE
TIME:
BKR1 Arc Fail
BKR1 Hlth OP Fail
BKR1 Charge Fail
OR
AND
Command
RESET
AND
AN D
AND
IN
Counter
RESET
Real Counter Alarm
RUN
SETPOINTS
BKR HEALTH
ALARM COUNTER :
Command
CLEAR
SETPOINTS
OUTPUT RELAY X
Do Not Operate, Operate

Table of Contents

Related product manuals