EasyManua.ls Logo

GE MI-869 - Page 406

GE MI-869
552 pages
Print Icon
To Next Page IconTo Next Page
To Next Page IconTo Next Page
To Previous Page IconTo Previous Page
To Previous Page IconTo Previous Page
Loading...
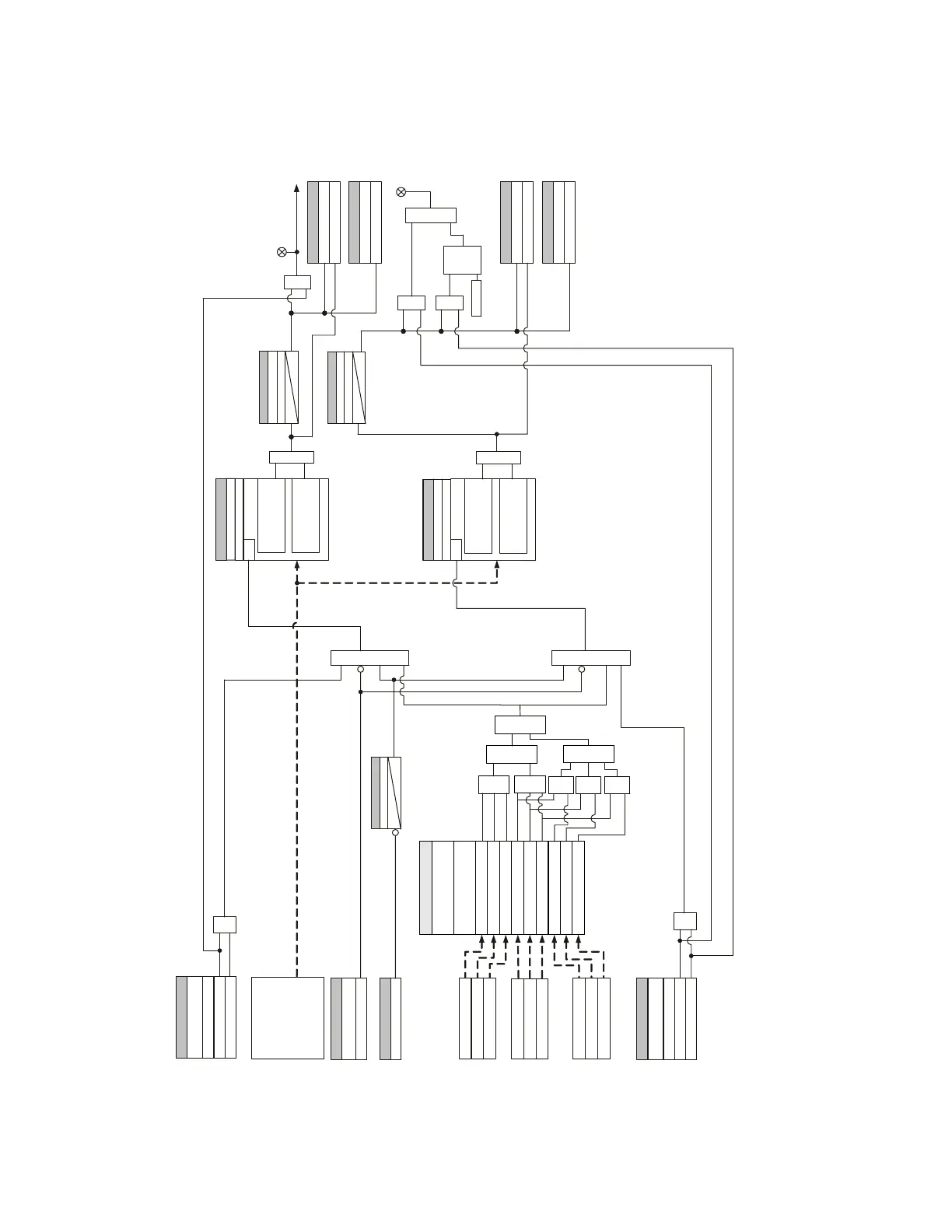
4–288 869 MOTOR PROTECTION SYSTEM – INSTRUCTION MANUAL
MONITORING CHAPTER 4: SETPOINTS
Figure 4-112: Power Factor logic diagram
894170A1.cdr
SETPOINT
Configurable
Trip Function
Disabled
Trip
Motor Stopped
FLEXLOGIC OPERAND
SETPOINT
Block
Off=0
AND
Start Block Delay
SETPOINT
t
BLK
0
SETPOINT
Latched Alarm
Alarm Function
Disabled
Alarm
OR
AND
RUN
Trip Lag Level
SETPOINT
Trip Pickup Delay
SETPOINTS
Trip Dropout Delay
t
PKP
t
RST
Alarm Pickup Delay
SETPOINTS
Alarm Dropout Delay
t
PKP
t
RST
AND
Operate Output
Relay 1(TRIP)
LED: TRIP
LED: Alarm
AND AND
OR
LATCH
S
R
RESET
Command
PF Trip PKP
FLEXLOGIC OPERANDS
PF Trip OP
PF Alarm PKP
FLEXLOGIC OPERANDS
PF Alarm OP
SETPOINT
Trip Output Relay X
Do Not Operate, Operate
SETPOINT
Alarm Output Relay X
Do Not Operate, Operate
OR
when PF < 0
&
|PF| < Trip Lead Level
OR
Trip Lead Level
Voltage Inputs
- delta connected
VAB
VBC
VCA
Current Inputs
Phase A Current (IA)
Phase B Current (IB)
Phase C Current (IC)
SETPOINTS
MINIMUM VOLTAGE :
VAB MINIMUM
IA MINIMUM
VBC MINIMUM
VCA MINIMUM
IB MINIMUM
IC MINIMUM
AND OR
Voltage Inputs
- wye connected
VA
VB
VC
VA MINIMUM
VB MINIMUM
VC MINIMUM
AND AND AND
AND
OR
OR
Power Factor of Three
Phases
(delta-connected VTs)
Power Factor of Valid
Phase(s)
(wye-connected VTs)
when PF > 0
&
|PF| < Trip Lag Level
RUN
Alarm Lag Level
SETPOINT
when PF < 0
&
|PF| < Alarm Lead Level
OR
Alarm Lead Level
when PF > 0
&
|PF| < Alarm Lag Level
MINIMUM CURRENT:

Table of Contents

Related product manuals