EasyManua.ls Logo

GE MI-869 - Page 434

GE MI-869
552 pages
To Next Page IconTo Next Page
To Next Page IconTo Next Page
To Previous Page IconTo Previous Page
To Previous Page IconTo Previous Page
Loading...
4–316 869 MOTOR PROTECTION SYSTEM – INSTRUCTION MANUAL
MONITORING CHAPTER 4: SETPOINTS
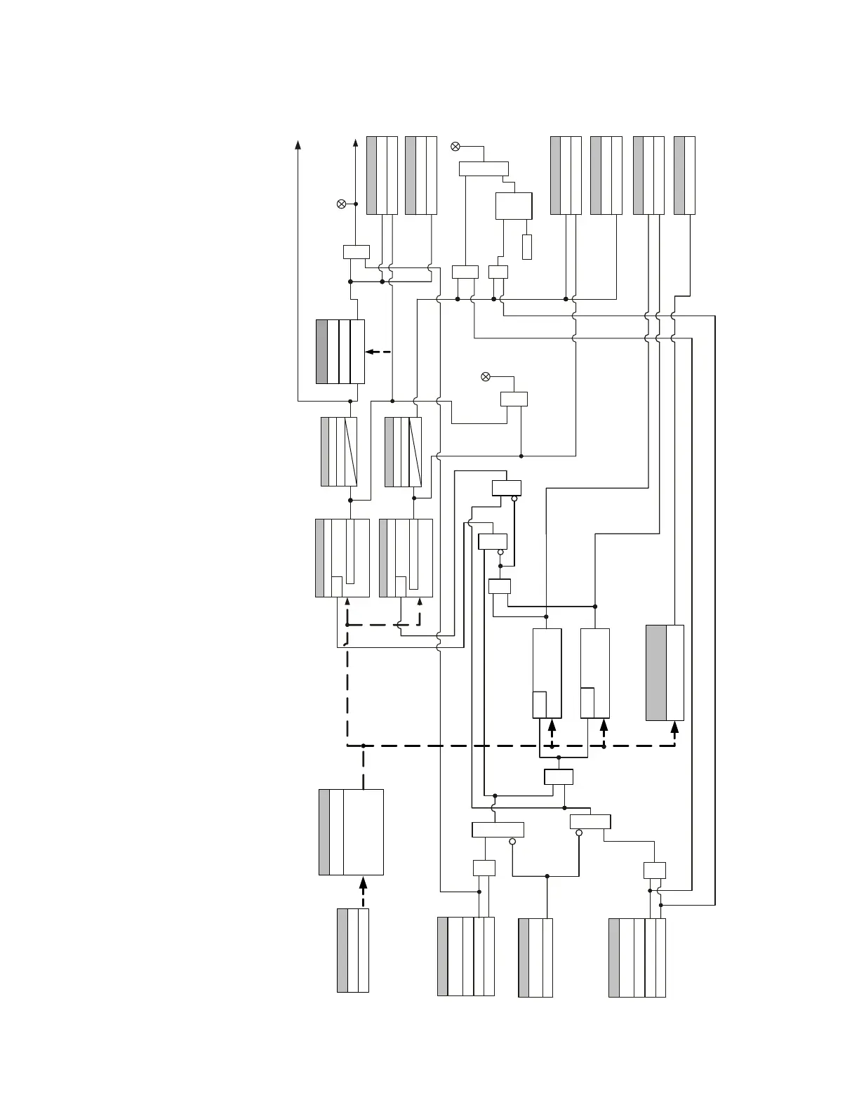
Figure 4-123: RTD Protection logic diagram
894106A2.cdr
SETPOINT
Configurable
Trip Function
Disabled
Trip
SETPOINT
Block
Off=0
AND
SETPOINT
Latched Alarm
Alarm Function
Disabled
Alarm
OR
AND
RUN
Trip Temperature
SETPOINT
Trip Pickup Delay
SETPOINTS
Trip Dropout Delay
t
PKP
t
RST
Alarm Pickup Delay
SETPOINTS
Alarm Dropout Delay
t
PKP
t
RST
AND
Operate Output
Relay 1(TRIP)
LED: TRIP
LED: Alarm
AND AND
OR
LATCH
S
R
RESET
Command
RTD 1 (Trip) PKP
FLEXLOGIC OPERANDS
RTD 1 (Trip) OP
RTD 1 Alarm PKP
FLEXLOGIC OPERANDS
RTD 1 Alarm OP
SETPOINT
Trip Output Relay X
Do Not Operate, Operate
SETPOINT
Alarm Output Relay X
Do Not Operate, Operate
OR
tº Trip Temperature
RUN
Alarm Temperature
SETPOINT
Alarm Temperature
Resistance-
Temperature
Convertion
Name
RTD 1
Type
SETPOINT
SETPOINT
AN D
RUN
RUN
R 250°C
R -40°C
Temperature Display:
(Celsius, Fahrenheit)
Setpoints/Device/Front
Panel/Display Properties
OR
AND
SETPOINT
Voting
Voting Logic
From other
RTD
for voting
Application
RTD 1 Shorted
FLEXLOGIC OPERANDS
RTD 1 Open
ACTUAL VALUES
RTD 1 Temperature
To other RTD
for voting
LED:
Pickup
OR
OR

Table of Contents

Related product manuals