EasyManua.ls Logo

GE MiCOM P145 Agile - Page 665

GE MiCOM P145 Agile
668 pages
Print Icon
To Next Page IconTo Next Page
To Next Page IconTo Next Page
To Previous Page IconTo Previous Page
To Previous Page IconTo Previous Page
Loading...
SYNC
V CHECK
D13
-
1A
5A
NOTES:
(b)
1.
(a)
PIN TERMINAL (P.C.B. TYPE)
C.T. SHORTING LINKS
F10
+
2. C.T. CONNECTIONS ARE SHOWN 1A CONNECTED
4. FOR COMMS OPTIONS SEE DRAWING 10Px4001.
3. THIS RELAY SHOULD BE ASSIGNED TO ANY
TRIP TO ENSURE CORRECT OPERATION OF
AND ARE TYPICAL ONLY.
THE PROTECTIVE RELAY.
F18
F14
F16
F17
+
F15
-
+
F12
F13
-
+
F11
-
C
N
C22
C21
A
B
C20
C19
C15
+
+
+
F9
-
F8
F7
-
+
F6
F5
-
F4
F3
-
D17
F1
F2
-
D18
-
D15
D16
+
D14
+
DIRECTION OF FORWARD CURRENT FLOW
B
C
A
a
n
b
c
N
NOTE 2
P2 P2P1
S1S2
S2 S1
1A
5A
1A
5A
1A
5A
1A
5A
SENSITIVE
N
C13
C12
C10
N
C9
C7
C
C6
C4
B
C3
D6
-
-
D12
+
D11
D10
+
-
D9
D8
+
D7
+
D2
D4
D5
-
+
D3
-
+
D1
-
C24
MiCOM P145 (PART)
P1
C1
A
C23
RELAY 10
POWER SUPPLY VERSION 24-48V (NOMINAL) D.C. ONLY
OPTO 13
COMMON
CONNECTION
OPTO 15
OPTO 16
OPTO 14
*
J17
J16
J18
SCN
+
PORT
KBUS
EIA485/
-
10Px4001.
SEE DRAWING
OPTO 12
OPTO 11
OPTO 10
CONNECTION
OPTO 9
COMMON
OPTO 8
OPTO 7
G13
G14
G15
G17
G16
G18
COMMS
NOTE 4
RELAY 15
RELAY 16
G5
G4
G7
G8
G6
G10
G9
G12
G11
RELAY 13
RELAY 14
RELAY 12
RELAY 11
CASE
EARTH
AC OR DC
AUX SUPPLY
*
-
+
J1
J2
x
MiCOM P145 (PART)
H3
NOTE 3
ANY TRIP RELAY 3
OPTO 3
OPTO 6
OPTO 5
OPTO 4
OPTO 1
OPTO 2
a
b
c
H14
H13
H16
H15
H18
G3
G2
G1
H17
RELAY 8
RELAY 9
RELAY 7
H4
H6
H7
H5
H9
H11
H12
H10
H8
RELAY 4
RELAY 6
RELAY 5
RELAY 2
PHASE ROTATION
A
C
B
n
N
A
X
X
X
B
C
C
B
A
J11
J13
J14
H1
H2
J12
CONTACT
CONTACT
WATCHDOG
RELAY 1
WATCHDOG
CONTACTS
HIGH BREAK
RELAY 23
B12
B16
B15
RELAY 24
B4
B8
B11
B7
RELAY 22
B3
RELAY 21
CONTACTS
HIGH BREAK
RELAY 19
E12
E16
E15
RELAY 20
E4
E8
E11
E7
RELAY 18
E3
RELAY 17
Drg
No:
Issue: Revision:
Date:
Date:
Name:
Chkd:
DO NOT SCALE
CAD DATA 1:1 DIMENSIONS: mm
Title:
Substation Automation Solutions
ALSTOM GRID UK LTD
(STAFFORD)
Sht:
Next
Sht:
14/05/2013 H.ONG
FIELD VOLTAGE OUTPUT REMOVED. CID HONG-95RDV7
10P14511
1
2
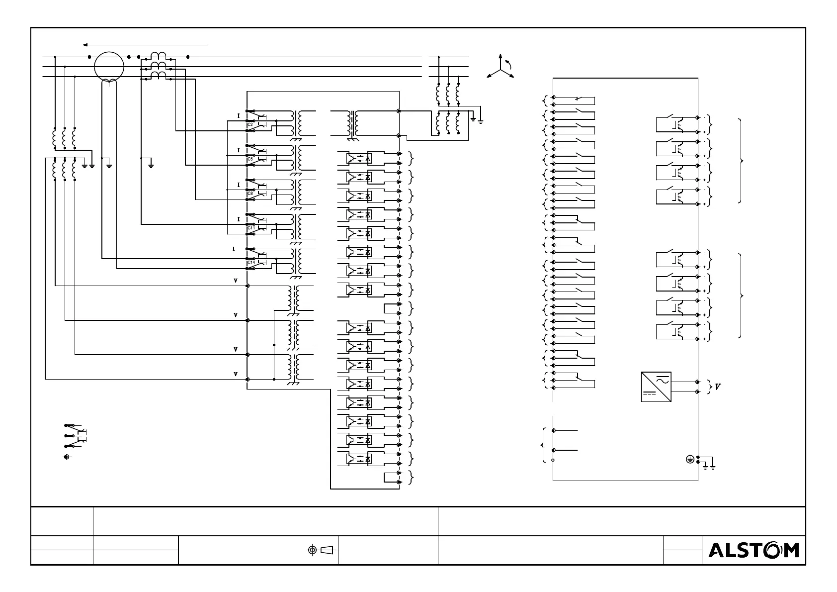
EXT. CONN. DIAG: FEEDER PROT. RELAY (60TE) DIRECTIONAL
PHASE O/C & E/F WITH AUTO-RECLOSE (16 I/P & 24 O/P)
E

Table of Contents

Related product manuals