EasyManua.ls Logo

GE PACE6000 - Page 17

GE PACE6000
98 pages
Print Icon
To Next Page IconTo Next Page
To Next Page IconTo Next Page
To Previous Page IconTo Previous Page
To Previous Page IconTo Previous Page
Loading...
2 Installation
K0443 Revision A 2 - 6 [EN] English
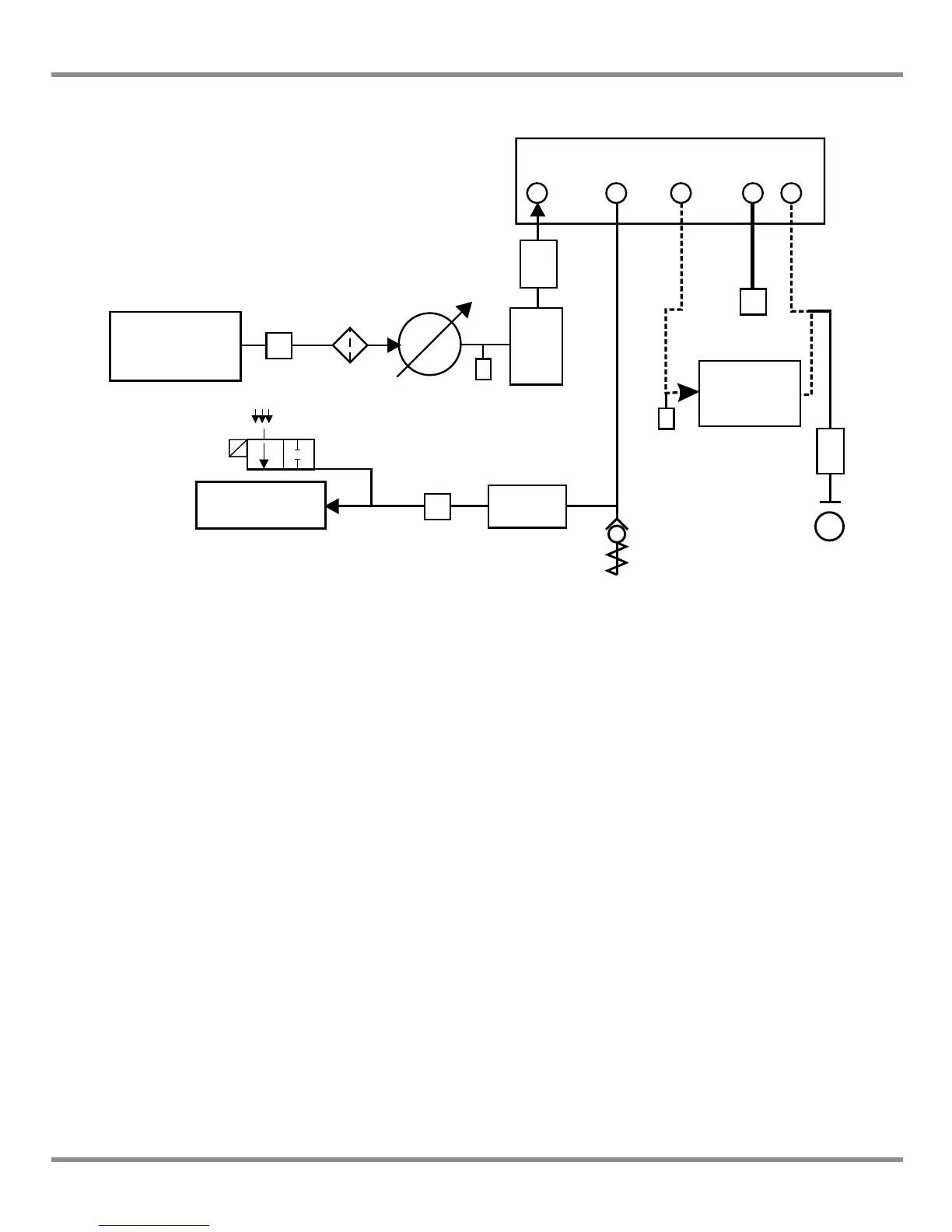
Note: (Ref: Section 6, Reference and Specification) for details of other system components.
Figure 2-4, Pneumatic Connections with vacuum supply
Note: The PACE option IO-VAC-SYS Vacuum System Check Valve Kit should be used in the
vacuum line mounted near the PACE CM -ve port to exhaust most HP gas directly to
atmosphere. The vacuum buffer volume needs to be rated at least to the highest
system pressure.
Note: (Ref: Section 6, Reference and Specification) for details of other system components
1) Pressure source 2) Conditioner 3) Filter
4) Regulate to between 110% full-scale and MWP 5) Diffuser*
6) Unit under test 7) Optional reservoir 8) Protection device
9) Optional differential connection 10) Oil mist trap
11) Vacuum source 12) Normally open electrical release valve 13) Check valve **
14) Manual external vent valves a) Atmosphere
1
2
3
4
5
6
7
8
9
13
7
10
12
11
a
OUTPUT
+
-
SUPPLY
VENT REF
14
14

Table of Contents

Other manuals for GE PACE6000

Related product manuals