EasyManua.ls Logo

Gemsy 500 - Napełnianie Urządzenia HR Olejem Silikonowym; Schemat Nawlekania

Gemsy 500
Print Icon
To Next Page IconTo Next Page
To Next Page IconTo Next Page
To Previous Page IconTo Previous Page
To Previous Page IconTo Previous Page
Loading...
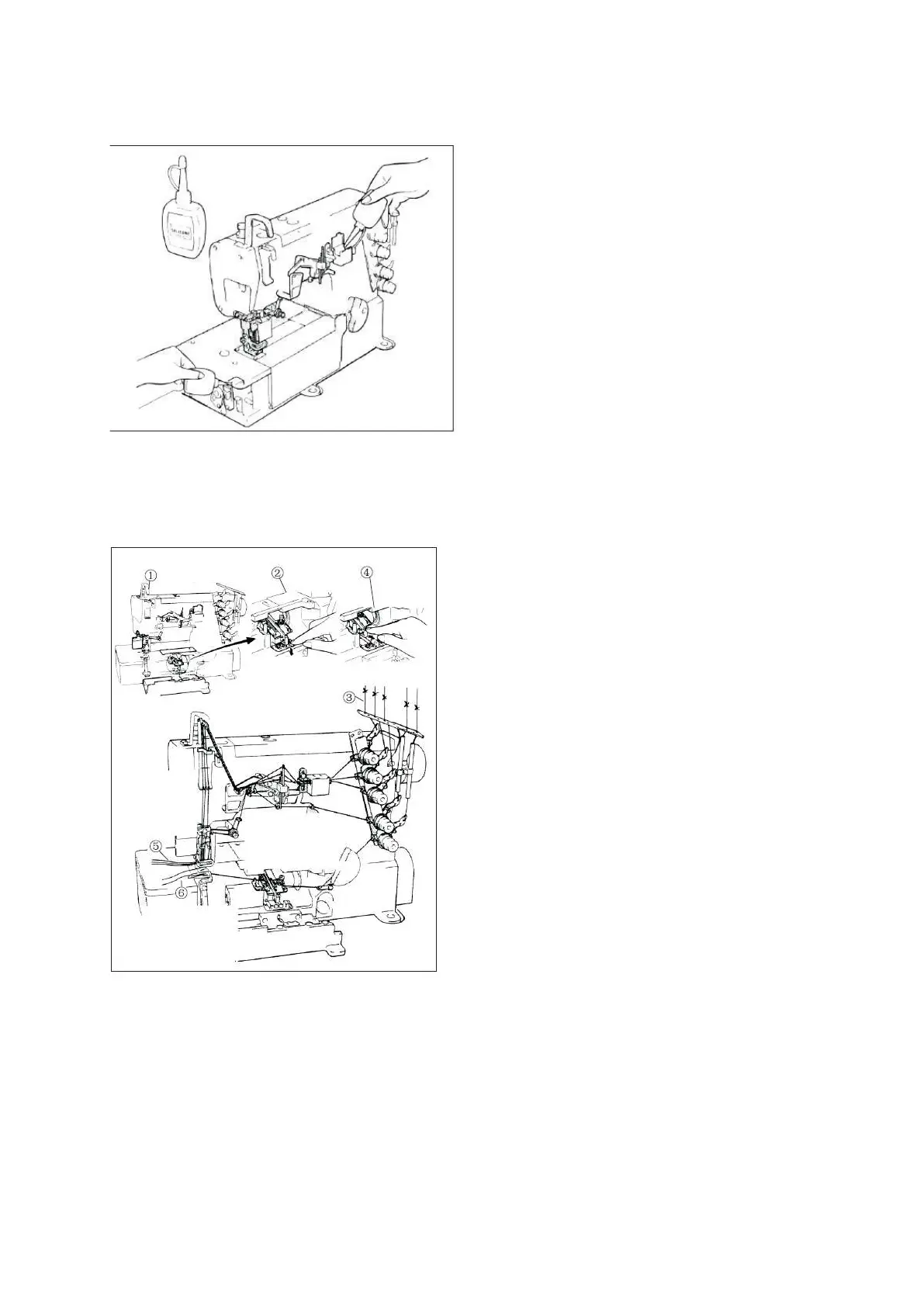
3. Napełnianie urządzenia HR olejem silikonowym
1) Napełnić urządzenie HR olejem, zanim jego poziom będzie zbyt niski, aby zapobiec zerwaniu nici i
uszkodzeniu tkaniny.
Uwaga: Używać zalecanego oleju Pegasus [UNION CARRBIDE CORPORATION] UCC L-45(350)
4. Nawlekanie
1) Otworzyć osłonę i trzy pokrywy.
2) Wcisnąć w dół. (Pobranie nici przez pętlownicę po nawleczeniu.
3) Związać wstępnie ustawioną nić i używaną nić razem, aby nawlec maszynę.
4) Wymienić pobraną nić przez pętlownicę po nawleczeniu.
5) Nawlec nić. Ostrożnie przyciąć węzły przed przejściem przez oko igły w celu ponownego nawleczenia.
6) Nić w pętlownicy, nić pokrywy górnej. Ostrożnie przyciąć węzły po przejściu przez oko pętlownicy.
7) Pamiętaj o prawidłowym nawleczeniu maszyny - patrz schemat nawlekania.
5-1. Schemat nawlekania

Related product manuals