EasyManua.ls Logo

Graco PR70 Series - Detailed PR70 Wiring Diagram

Graco PR70 Series
52 pages
Print Icon
To Next Page IconTo Next Page
To Next Page IconTo Next Page
To Previous Page IconTo Previous Page
To Previous Page IconTo Previous Page
Loading...
g Diagrams
312393C 49 of 52
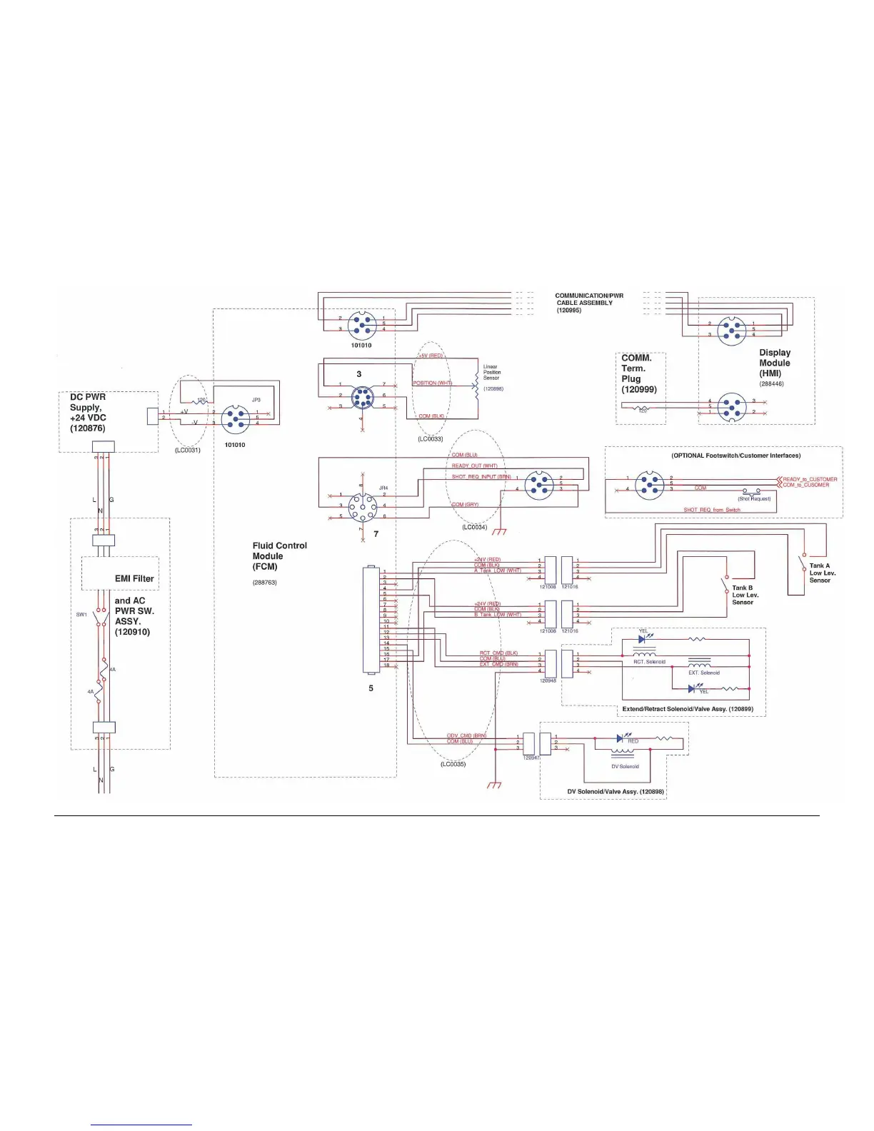
Figure 60: Wiring Diagram, PR70
Wirin

Table of Contents

Related product manuals