EasyManua.ls Logo

GRAVOGRAPH L-Solution 900 - Page 76

GRAVOGRAPH L-Solution 900
104 pages
Print Icon
To Next Page IconTo Next Page
To Next Page IconTo Next Page
To Previous Page IconTo Previous Page
To Previous Page IconTo Previous Page
Loading...
L-SOLUTION 700 / 800 / 900 machines . 76
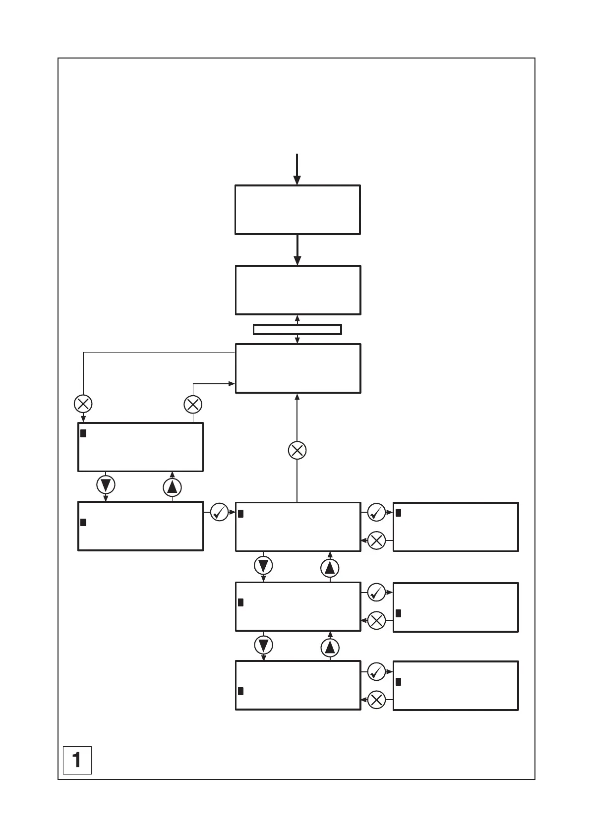
First contact
001 FILENAME1
DELETE THIS FILE
DELETE ALL
90% FREE MEMORY
001 FILENAME1
DELETE THIS FILE
DELETE ALL
90% FREE MEMORY
001 FILENAME1
DELETE THIS FILE
DELETE ALL
90% FREE MEMORY
PARAMETERS
FILE
INFO
CONFIGURATION
PARAMETERS
FILE
INFO
CONFIGURATION
001 FILENAME1
DELETE THIS FILE
NO
YES
DELETE ALL
NO
YES
GRAVOGRAPH
LASER Version X.XX
LCD SOFT X.XX
16 Mo BOOT X.X
< READY TO RECEIVE >
001 FILENAME1
PUI 40 VIT 10
DPIX 400 DPIY 400
SET UP
FPGA X.XX
LCD SOFT X.XX
16 Mo BOOT X.X
001 FILENAME1
002 FILENAME2
003 FILENAME3
004 FILENAME4
ENGRAVING
MENU
3 SECOND DELAY
POWER ON
System operation

Table of Contents

Related product manuals