EasyManua.ls Logo

Greenlee 555 - Wiring Diagram - 115 V; 115 V System Wiring

Greenlee 555
44 pages
Print Icon
To Next Page IconTo Next Page
To Next Page IconTo Next Page
To Previous Page IconTo Previous Page
To Previous Page IconTo Previous Page
Loading...
Greenlee Textron / Subsidiary of Textron Inc.
35
4455 Boeing Dr., Rockford, IL 61109-2988 815/397-7070
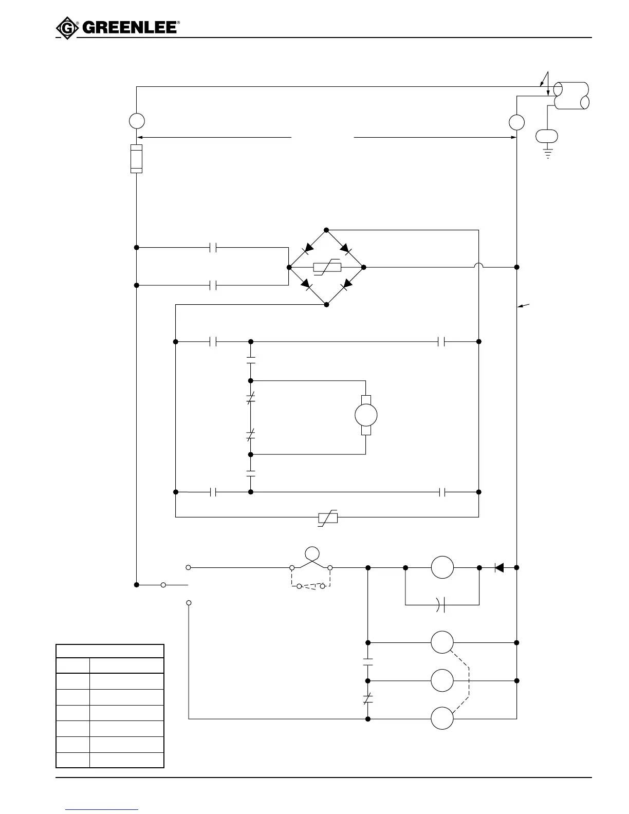
555 Electric Bender
Wiring Diagram 115V No. 555 Electric Bender
GREEN
12 GA.
BLACK
WHITE
BLUE
RECTIFIER
VARISTOR
120 VOLTS - 60 HZ
FU
FNM15
B-CON
RED
CR1
CR1
CR1
CR1
16
10
10
BLACK
BLUE
6
VAR. 2
WHEN USED
REMOVE JUMPER
CR2
TD
CR2
TD
BEND
UNLOAD
RED
WHITE
3
3
12
LS
4
4
4
5
5
1
C1
L2
D1
AUXILIARY
BEND RELAY
& TIME DELAY
(BEND TO UNLOAD)
VARISTOR
ARMATURE
TOGGLE SWITCH
BEND CONTACTOR
DYNAMIC BRAKING
RELAY
UNLOAD
CONTACTOR
11
30 MFD
B-CON
WHITE
BLUE
U-CON
11
L2
VAR 1
U-CON
BLUE
B-CON
BLUE
15
10
9
1
1
U-CON
11
14 GA.
RECT.
GND
B
CON
CR1
U
CON
+
+
+
1 H.P.
L1
+
L2
CR2
TD
NOMENCLATURE
SYM DESCRIPTION
B-CON BEND CONTACT
U-CON UNLOAD CONTACT
CR CIRCUIT RELAY
C CAPACITOR
D RECTIFIER DIODE
TD TIME DELAY

Other manuals for Greenlee 555

Related product manuals