EasyManua.ls Logo

Grizzly H2933 - Page 77

Grizzly H2933
106 pages
Print Icon
To Next Page IconTo Next Page
To Next Page IconTo Next Page
To Previous Page IconTo Previous Page
To Previous Page IconTo Previous Page
Loading...
H2933/H2934/G0447/G0581 Wide Belt Sander -53-
MOTOR
R
S
T
M1
R
U
S V
T W
OL1
U 1
V 1
W1
R
S
440V
415V
220V
200V
380V
1
0
W L
SOL
LS1
LS2
LS3
LS4
OL1
M1
GL
START
START
M1
10
7
6
A
STOP
E MG
STOP
2
3
13
3
O L3
M3
8
STOP
E
F
R
U
S V
T W
U 2
V 2
W2
R
U
S V
T W
R
M 3
R
S
T
OL3
U
V
W
R
S
T
D
Y1
Z1
0
12
A
PC
PCR1
16
LS
17
F
20
R
18
LS
19
R
21
F
11
M3
S
30 31
D
32 33
9
EM G
STOP
5
A
STAR DELTA
A
AM
14
15
X1
M3
U
V
W
R
S
T
U
V
W
PCR2
D3
S3
A
R U V S
a b
3
TR
GL
LS5
LS6
LS7
2
CONVEYOR
BELT
SANDI NG
BELT
POWER SOURCE
BRAKE
EMERGENCY
BRAKE
CONVEYOR BEL T
SANDI NG BELT
T ABL E L I F T I NG
& LOWERI NG
T ABL E L I F T I NG
& LOWERI NG
MOTOR
MOTOR
EMERGENCY BRAKE
FRONT CONVEYOR
STOP LIMIT SWITCH
4A
FUSE
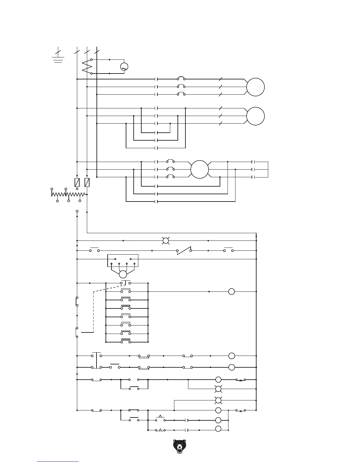
General Electrical Diagram (H2934/G0447)
220V 3-PH

Related product manuals