EasyManua.ls Logo

Grizzly H2933 - General Wiring Diagram (H2933)

Grizzly H2933
106 pages
Print Icon
To Next Page IconTo Next Page
To Next Page IconTo Next Page
To Previous Page IconTo Previous Page
To Previous Page IconTo Previous Page
Loading...
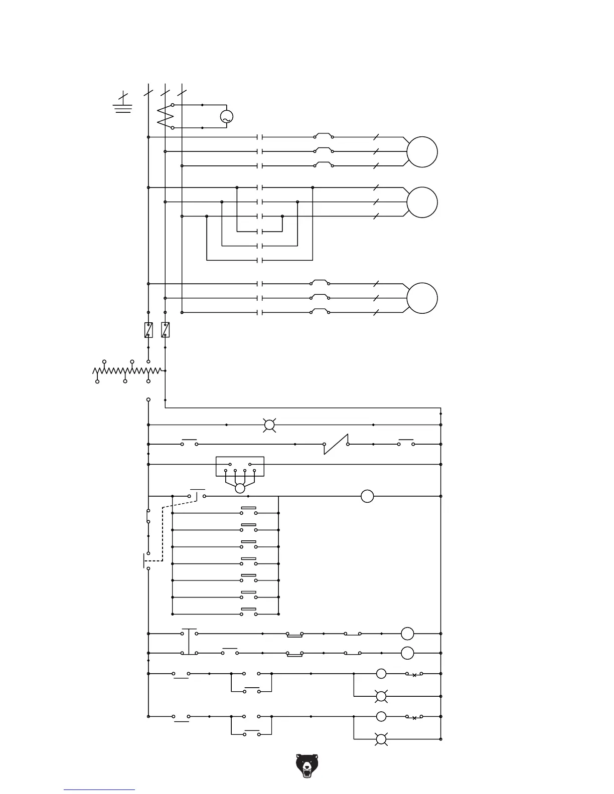
-52- H2933/H2934/G0447/G0581 Wide Belt Sander
M1
R
U
SV
3
A
WL
12
SOL
13
F
R
20
21
R
F
17
19
16
18
LS
LS
LS1
OL1
M1
GL
STOP
START
M1
8
9
7
6
A
5
LS2
LS3
LS4
POWER SOURCE
BRAKE
TABLELIFTI NG
&LOWERING
R
U
S
V
U
V
3
2
SANDINGBELT
CONVEYOR BELT
R
EmergencyStop
SANDING
BELT
CONVEYOR
BELT
R S
TABLELIFTING
&LOWERING
E
A
AM
14
15
U1
V1
W1
OL3
M3
M3
11
A
RU VS
ab
Emer gencyBrake
ab
ab
PCR1
10
M3
T
TW
U2
V2
W2
OL1
F
R
U
SV
TW
R
U
SV
TW
T
W
W
440V
415V
220V
200V
380V
1
0
4A
2
2
FUSE
S
2
STOP
START
OL3
GL
PCR2
EMERGENCY
BRAKE
A
PC
LS5
LS6
LS7
MOTOR
MOTOR
MOTOR
4A
FUSE
General Electrical Diagram (H2933)
220V 3-PH

Related product manuals