EasyManua.ls Logo

Hanbell RC2-930A - Page 55

Default Icon
84 pages
Print Icon
To Next Page IconTo Next Page
To Next Page IconTo Next Page
To Previous Page IconTo Previous Page
To Previous Page IconTo Previous Page
Loading...
Technical Manual VERSION 2.0 -10-18-2018
55

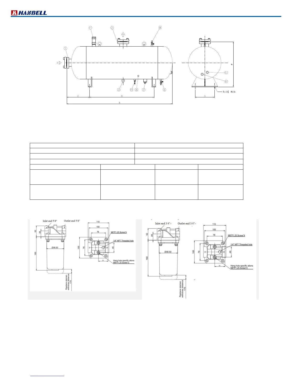
Horizontal OS80, OS100, OS125, OS150 (Figure 43)
o. External oil filter
External oil filter is optional accessory of external oil separator. It is suggested to install external oil filter in oil return line
before oil inlet port of compressor for safe running of compressor.
Specification:
*Flow Rate: max 50 (l/m) *Weight:1.4KG/Set
*Working Pressure: 40 bar (the weight is not including element)
*Material: Aluminum alloy
*Operating Temp.: from 25to 110
*Seal: VITON
Compressor Model Material Code Inlet Size Outlet Size
RC2100/140/180/200
230/260/300/310/320/340
/410/430/470/510
31303240AA 5/8” 5/8”
RC2550/580/620/710/790
/830/930/1020/1130/1270/
1530
31313240AA 3/4” 3/4”
3
130
3240AA
3131
3240AA
Figure 44 External oil filter

Related product manuals