EasyManua.ls Logo

HANGCHA CBD15-A2MC1 - Electric System and Controller

HANGCHA CBD15-A2MC1
72 pages
Print Icon
To Next Page IconTo Next Page
To Next Page IconTo Next Page
To Previous Page IconTo Previous Page
To Previous Page IconTo Previous Page
Loading...
62
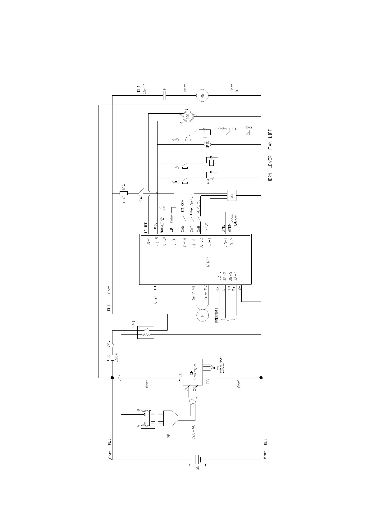
3 Electric system
3.1 Electrical schematic diagram

Table of Contents

Related product manuals