EasyManua.ls Logo

Harris VCA6800+ - Page 24

Harris VCA6800+
48 pages
Print Icon
To Next Page IconTo Next Page
To Next Page IconTo Next Page
To Previous Page IconTo Previous Page
To Previous Page IconTo Previous Page
Loading...
12 VCA / VDA / VEA6800+ Installation and Operation Manual
Preliminary—Contents are proprietary and confidential. Do not photocopy or distribute.
Chapter 1: Introduction
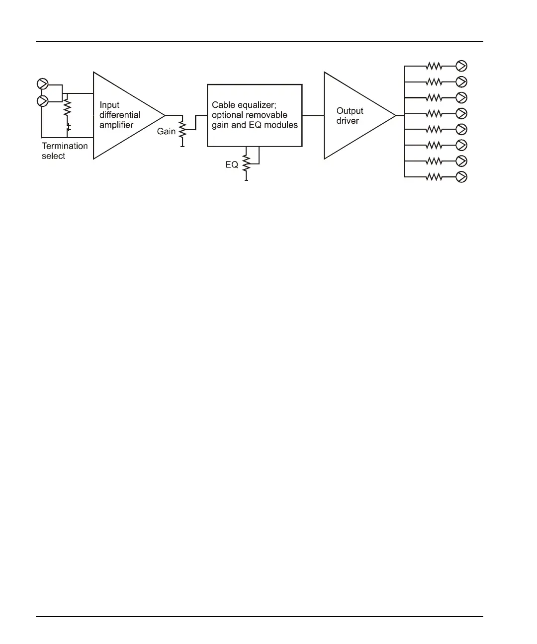
Figure 1-10. VEA6800+ Block Diagram

Related product manuals