EasyManua.ls Logo

Harris VCA6800+ - Block Diagrams

Harris VCA6800+
48 pages
Print Icon
To Next Page IconTo Next Page
To Next Page IconTo Next Page
To Previous Page IconTo Previous Page
To Previous Page IconTo Previous Page
Loading...
VCA / VDA / VEA6800+ Installation and Operation Manual 11
Chapter 1: Introduction
Preliminary—Contents are proprietary and confidential. Do not photocopy or distribute.
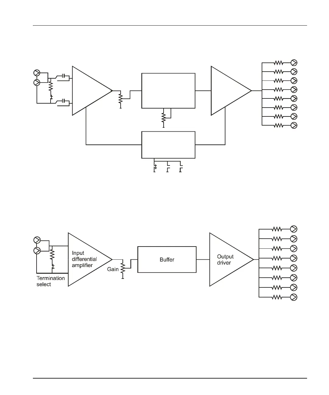
Block Diagrams
Figure 1-8. VCA6800+ Block Diagram
Figure 1-9. VDA6800+ Block Diagram
Termi -
nation
select
Output
driver
Input
differential
amplifier
Gain
Cable equalizer
EQ
AC
DC
AC
DC
Clamp
Clamp mode
select
No clamp
Soft clamp
Hard clamp

Related product manuals