EasyManua.ls Logo

HBM MX840B - DC Current Sources 20 Ma - Voltage-Fed

HBM MX840B
224 pages
Print Icon
To Next Page IconTo Next Page
To Next Page IconTo Next Page
To Previous Page IconTo Previous Page
To Previous Page IconTo Previous Page
Loading...
Transducer connection
Quantum
X
I3031-14.0 HBM: public 155
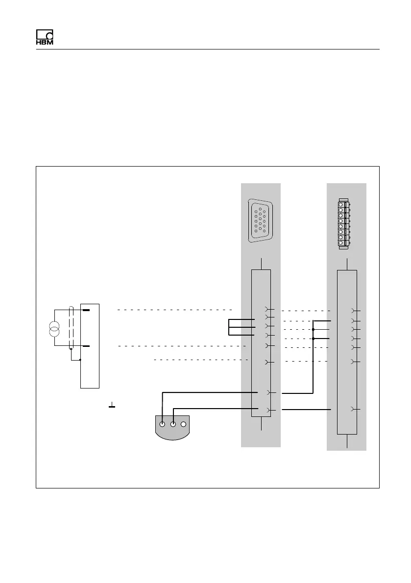
9.17 DC current sources 20 mA -
voltage-fed
Supported by the following modules: MX840B, MX440B,
MX410B, MX1601B
Pin assignment for MX1601B see section 8.10.1
13
11
Hsg.
12
(-)
(+)
I
Cable shield
Hsg. = Housing
6
1
123
1
5
6
10
11
15
2 Data
3 No function
1
1-wire EEPROM (optional)
view from below
9
4
MX1601B
6
7
2
8
4
5
3
TYPOs
Adjustable sensor supply: 5 V 24 V:
0 V:
Pin 12
Pin 11
Pin 6
Pin 7
1
8
Push in
Maximum current "30 mA

Table of Contents

Related product manuals