EasyManua.ls Logo

HBM T12 - Dimensions; Rotor Dimensions (100-200 N·m)

HBM T12
92 pages
Print Icon
To Next Page IconTo Next Page
To Next Page IconTo Next Page
To Previous Page IconTo Previous Page
To Previous Page IconTo Previous Page
Loading...
T12
70
A197910.0 enHBM
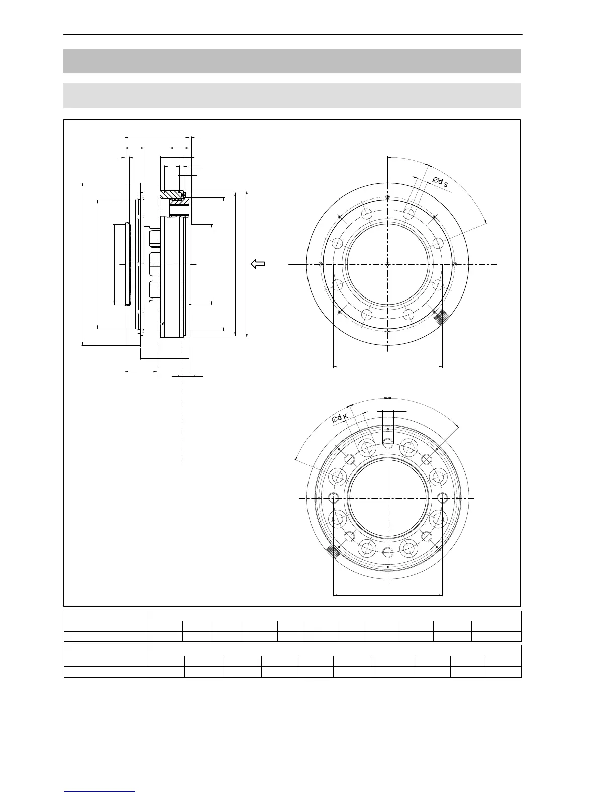
16 Dimensions
16.1 Rotor 100 NVm to 200 NVm
d
z
d
c
d
zi
d
za
d
F
d
G
d
A
d
B
d
B
A
View A
6xY
b
2
c
b
3
b
1
b
3
b
5
b
4
b
6
x
S
Dimensions without tolerances, per DIN ISO 2768mK
5
2
Plane of temperature
measurement
d
b
7
x
S
= measuring plane
(center of the installation point)
6x60
30
60
6x60
30
60
6x60
Measuring range
Dimensions in mm (1 mm = 0.03937 inches)
b
1
b
2
b
3
b
4
b
5
b
6
b
7
c d x
S
Y
100 Nm/200 Nm 22 60 18 4 4 47.15 14 2 12.5 30 M8
Measuring range
Dimensions in mm (1 mm = 0.03937 inches)
d
A
d
B
d
C
d
F
d
G
d
K
d
S
C12
d
Z
d
za
g5
d
zi
H6
100 Nm/200 Nm
115.5 84 99 101 110 14 8.2 131 57 57

Table of Contents

Other manuals for HBM T12

Related product manuals