EasyManua.ls Logo

HBM T12 - Rotor Dimensions (500 N·m to 10 kN·m)

HBM T12
92 pages
Print Icon
To Next Page IconTo Next Page
To Next Page IconTo Next Page
To Previous Page IconTo Previous Page
To Previous Page IconTo Previous Page
Loading...
71
T12
A197910.0 en HBM
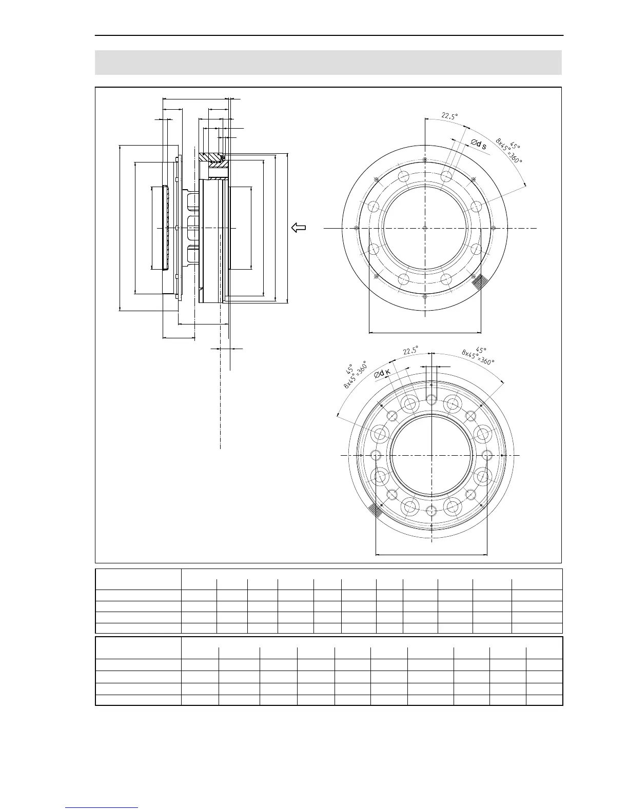
16.2 Rotor 500 NVm to 10 kNVm
d
z
d
c
d
zi
d
za
d
F
d
G
d
A
d
B
d
B
A
View A
8xY
b
2
c
b
3
b
1
b
3
b
5
b
4
b
6
x
s
Dimensions without tolerances, per DIN ISO 2768mK
5
b
7
2
Plane of temperature
measurement
d
x
s
= measuring plane
(center of the
installation point)
Measuring range
Dimensions in mm (1 mm = 0.03937 inches)
b
1
b
2
b
3
b
4
b
5
b
6
b
7
c d x
S
Y
500 Nm/1 kNm 22 60 18 4 4 45.7 14 2 8 30 M10
2 kNm/3 kNm 23 64 20 5 4 47.7 14 2.5 8 32 M12
5 kNm 24.8 84 26 3.3 3 62.7 17.5 2.8 8 42 M14
10 kNm 24.8 92 30 3.3 4 66.7 17.5 3.5 10 46 M16
Measuring range
Dimensions in mm (1 mm = 0.03937 inches)
d
A
d
B
d
C
d
F
d
G
d
K
d
S
C12
d
Z
d
za
g5
d
zi
H6
500 Nm/1 kNm
136.5 101.5 120 124 133 17 10 151 75 75
2 kNm/3 kNm
172.5 130 155 160 169 19 12 187 90 90
5 kNm
200.5 155.5 179 188 197 22 14.2 221 110 110
10 kNm
242.5 196 221 230 239 26 17 269 140 140

Table of Contents

Other manuals for HBM T12

Related product manuals