EasyManua.ls Logo

HBM T12 - Stator Dimensions (500 N·m to 1 kN·m, Prot. Contact)

HBM T12
92 pages
Print Icon
To Next Page IconTo Next Page
To Next Page IconTo Next Page
To Previous Page IconTo Previous Page
To Previous Page IconTo Previous Page
Loading...
77
T12
A197910.0 en HBM
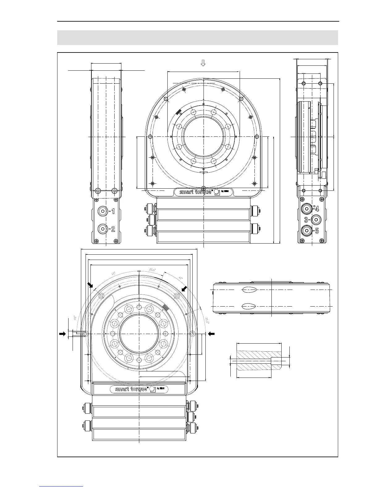
16.8 Stator 500 Nm to 1 kNm with prot. against contact
A
View A
Connection holes Z
(Protection
against contact)
View without cover plate
Protection
against contact
Connecting hole with countersinking
(56)
43
6.6
(Protection against contact, cpl.)
View without
protection against
contact half
(Cover plate)
58
11
(Cover plate)
56
139
(56)
(58)
11
12 32
103.5 102.5
204.5
317
98
11
99.3
(Locking screw)
Z
Z
Z
Z
223
+2
205
187
2
11
6.6
196
40
90
98
Dimensions in mm (1 mm = 0.03937 inches)

Table of Contents

Other manuals for HBM T12

Related product manuals