EasyManua.ls Logo

HBM T12 - Stator Dimensions (100-200 N·m, Prot. Contact)

HBM T12
92 pages
Print Icon
To Next Page IconTo Next Page
To Next Page IconTo Next Page
To Previous Page IconTo Previous Page
To Previous Page IconTo Previous Page
Loading...
T12
76
A197910.0 enHBM
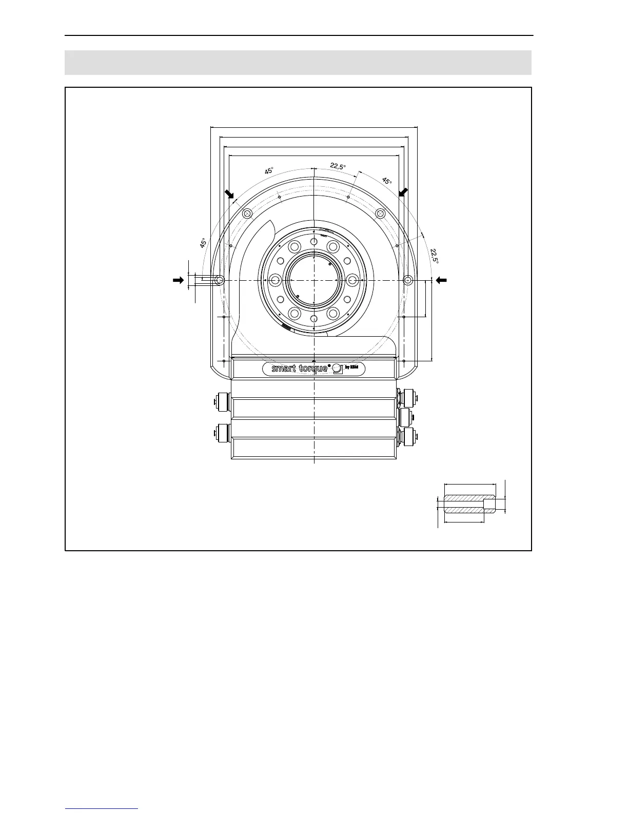
16.7 Stator 100 Nm to 200 Nm with prot. against contact
6.6
11
225
+2
205
196
185
2
40
88
View without covering agent
(11)
(6.6)
56
[Housing]
43
Connecting hole with countersinking
Z
Z
Z
Z
Connection holes Z
View B
Dimensions in mm (1 mm = 0.03937 inches)

Table of Contents

Other manuals for HBM T12

Related product manuals