EasyManua.ls Logo

Heathkit THE TWOER - Page 58

Heathkit THE TWOER
64 pages
Print Icon
To Next Page IconTo Next Page
To Next Page IconTo Next Page
To Previous Page IconTo Previous Page
To Previous Page IconTo Previous Page
Loading...
43a
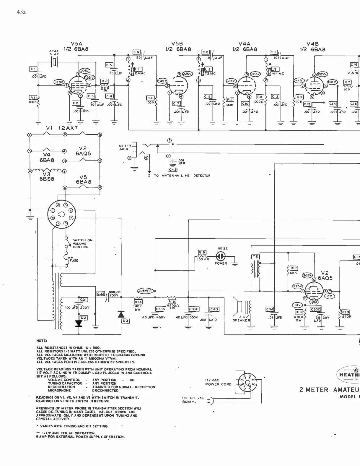
V4
6BA8
V3
6BS8
V2
6AQ5
NOTE:
V5
6BA8
SWITCH ON
VOLUME
CONTROL
FUSE
METER
JACK
100UFD
200V
®-
100 UFD 200V
I
F73
V5B
1/2 6BA8
V4B
1/2 6BA8
2.5-6
.0011 UFD
.001 Il
= =
\/ A
.001
UFO
V
Z
TO ANTENNA LINE
DETECTOR
RIM
3301
5W
1C33A
40 111450V
ALL RESISTANCES IN OHMS K = 1000.
ALL RESISTORS 1/2 WATT UNLESS OTHERWISE SPECIFIED.
ALL VOLTAGES MEASURED WITH RESPECT TO CHASSIS GROUND.
VOLTAGES TAKEN WITH AN 11 MEGOHM VTVM.
ALL VOLTAGES POSITIVE UNLESS OTHERWISE SPECIFIED.
VOLTAGE READINGS TAKEN WITH UNIT OPERATING FROM NOMINAL
117 VOLT AC LINE WITH DUMMY LOAD PLUGGED IN AND CONTROLS
SET AS FOLLOWS:
VOLUME CONTROL
- ANY POSITION - ON
TUNING CAPACITOR
- ANY POSITION
REGENERATION -
ADJUSTED FOR NORMAL RECEPTION
MICROPHONE
- DISCONNECTED
READINGS ON V1, V2, V4 AND V5 WITH SWITCH IN TRANSMIT.
READINGS ON V3 WITH SWITCH IN RECEIVE.
PRESENCE OF METER PROBE IN TRANSMITTER SECTION WILT
CAUSE DE -TUNING IN MANY CASES. VALUES SHOWN ARE
APPROXIMATE ONLY AND DEPENDENT UPON TUNING AND
CRYSTAL ACTIVITY.
VARIES WITH TUNING AND RIl SETTING.
1-1/2 AMP FOR AC OPERATION.
8 AMP FOR EXTERNAL POWER SUPPLY OPERATION.
NE -2E
150 Kn.
POWER
820011
1W
40 UF-1350v
.001 ILIF
D
IC33131
105 -125 VAC
50/60
ti
IC431
31/2"
SPEAKER
T
SEE
68K
EMI
470A
2W
V2
25 I 2 5 V
UFD
RI
270K
.01
117 VAC
POWER CORD
2 METER AMATEUI
MODEL F

Related product manuals