EasyManua.ls Logo

Heathkit THE TWOER - Page 59

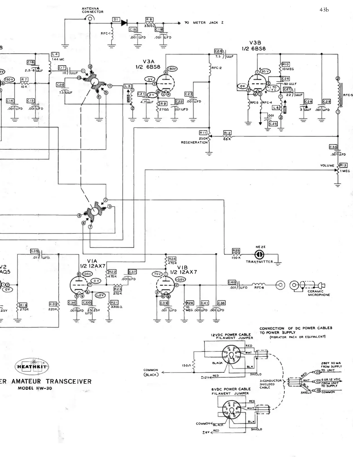
Heathkit THE TWOER
64 pages
Print Icon
To Next Page IconTo Next Page
To Next Page IconTo Next Page
To Previous Page IconTo Previous Page
To Previous Page IconTo Previous Page
Loading...
ANTENNA
CONNECTOR
(Th
TO METER JACK Z
3D
431)
MCI
RFC -1
144 MC
UUF
d I
4
3D
7.5 UUF
.001 LIFE) .001
UFD
12
4Q5
C)
.01 ) I LIFD
220K
VIA
1/2 I2AX7
3D
.001
FD
25
UFD
:R AMATEUR TRANSCEIVER
MODEL hW-30
25V
TLL T.001
FD
.001 UFD
3D
UUF
1E1
250K
REGENERATION
RFC -2
6B K
V 3 B
1/2 6B58
RFC -5
3D
.0011 UFD
VOLUME
470K
.001 UFD
3D
GEM
470K
VIB
1/2 12AX7
.001 UFD
= =
COMMON
(BLACK)
1F1261
3D
10
MEG .001 UFD .001
3D
UFD
NE 2E
150 K
TRANSMITTER
IC401
.001 UFD
RFC -8
I2VDC POWER CABLE
FILAMENT JUMPER
6VDC POWER CABLE
FILAMENT JUMPER
CERAMIC
MICROPHONE
CONNECTION OF DC POWER CABLES
TO POWER SUPPLY
(VIBRATOR PACK OR EQUIVALENT)
3 -CONDUCTOR
SHIELDED
CABLE
E1
I MEG
260V 90 MA
FROM SUPPLY
TO UNIT
TO
F6
UNI
II
SHIELD IL- COMMON

Related product manuals