EasyManua.ls Logo

Hendrickson TIREMAAX PRO - Electrical Component Installation; Wiring Harness Options and Indicator Lamp Schematics

Default Icon
60 pages
Print Icon
To Next Page IconTo Next Page
To Next Page IconTo Next Page
To Previous Page IconTo Previous Page
To Previous Page IconTo Previous Page
Loading...
33
T51002 E
InstallatIon, servIce and troubleshootIng Procedures
ELECTRICAL COMPONENT INSTALLATION
Once the controller is located and mounted to the
trailer or slider, the electrical wiring can be completed.
Multiple wiring options are available during the
TIREMAAX
®
system configuration. These options are
addressed in the following installation procedures for
electrical components.
Electrical components include:
Wire Harnesses
Controller connectors
Trailer-mounted indicator lamp
(may not be included with TIREMAAX kit)
WARNING: Improper wiring or operation of
TIREMAAX systems can lead to
situations where the driver is not
aware of damage to tire inflation
system and / or wheel-end
components.
WIRE HARNESS OPTIONS AND DETAILS
This section includes basic instructions for routing and
installation of optional wire harnesses available from
Hendrickson. Detailed information and criteria are also
provided:
Figure 40 shows a typical wiring schematic for the
TIREMAAX systems.
Figure 41 shows various connections based on the
options selected for the installation.
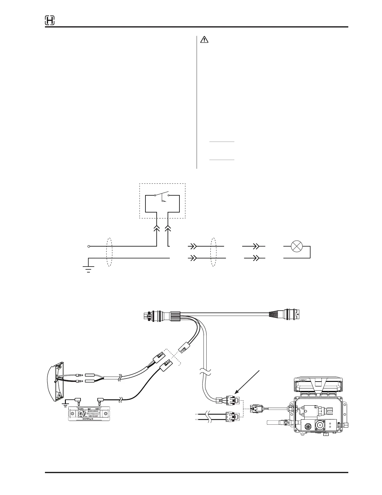
Figure 40:
Typical wiring schematic for indicator lamp
NOTE: TIREMAAX
®
PRO controller shown. CP controller connector is on the right side.
BC
A
From
J560 interface
5-pin
Delphi
3-pin Delphi
Weather Pack
connector
If LED indicator lamp,
DO NOT reverse connections
Incandescent
indicator lamp
To ABS
Controller
LED or incandescent
(shown) indicator light cable
(power and ground)
ABS Junction
Wire Harness
Other
OE defined
Indicator light cable
(power only)
Standard harness
3 ft (1 m)
or
15 ft (4.5 m)
Figure 41:
Wire harness and indicator lamp options
Status indicator
Controller
white white white
black blackyellow
Heavy duty harness
Trailer
ground
Indicator lamp harness
+12 VDC
uninterrupted
power
NOTE: LED shown,
incandescent can be
grounded at lamp.
AC

Table of Contents