EasyManua.ls Logo

HER CHEE ATV-50 - Crank Case Assembly

HER CHEE ATV-50
57 pages
Print Icon
To Next Page IconTo Next Page
To Next Page IconTo Next Page
To Previous Page IconTo Previous Page
To Previous Page IconTo Previous Page
Loading...
10
4
Crank Case / Crank Shaft
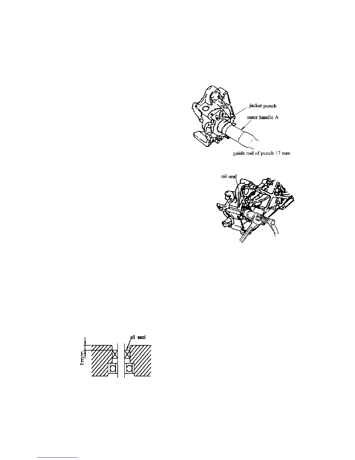
z Put new crank shaft into right
crankcase.
z Put crank shaft assembly into left
crank case.
WARNING:
z Smear the 2-stroke oil to main
bearing and big end of connecting
rod.
z Note the position of connecting rod.
z Put left oil seal into L. crank shaft
case, surface depth under 1.0 mm.

Table of Contents

Related product manuals