EasyManua.ls Logo

HIAB 160TM - 5 - 2 Main components

HIAB 160TM
197 pages
Print Icon
To Next Page IconTo Next Page
To Next Page IconTo Next Page
To Previous Page IconTo Previous Page
To Previous Page IconTo Previous Page
Loading...
35
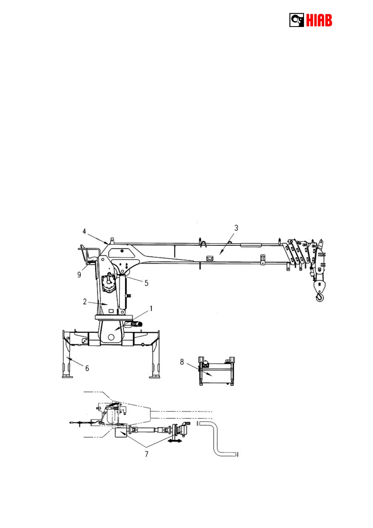
5 - 2 Main components
1) Base
2) Column
3) Boom system
4) Control valve
5) Winch
6) Outrigger system
7) PTO & Pump
8) OIL TANK
9) TOP SEAT

Related product manuals