EasyManua.ls Logo

Hirobo Lepton EX - Page 15

Hirobo Lepton EX
76 pages
Print Icon
To Next Page IconTo Next Page
To Next Page IconTo Next Page
To Previous Page IconTo Previous Page
To Previous Page IconTo Previous Page
Loading...
14
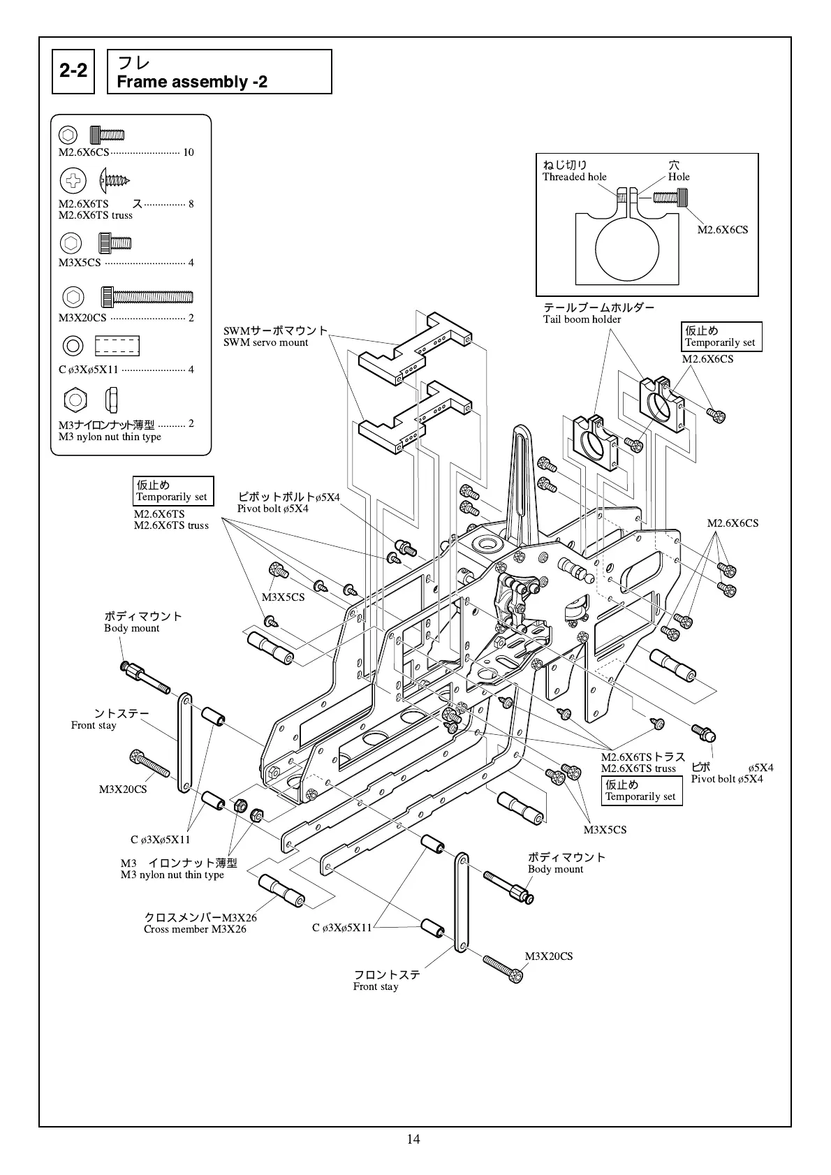
フレームの組立-2
  

M2.6X6TS
トラス
...............
8
M2.6X6TS truss
M3
ナイロンナット薄
.......... 2
M3 nylon nut thin type
M2.6X6CS
.........................
10
M3X20CS
...........................
2
M3X5CS
.............................
4
C ø3Xø5X11
.......................
4
M2.6X6TS
トラス
M2.6X6TS truss
クロスメンバー
M3X26
Cross member M3X26
フロントステー
Front stay
フロントステー
Front stay
テールブームホルダー
Tail boom holder
SWM
サーボマウント
SWM servo mount
ピボットボルト
ø5X4
Pivot bolt ø5X4
ピボボル
ø5X4
Pivot bolt ø5X4
M2.6X6TS
トラス
M2.6X6TS truss
M3
ナイロンナット薄型
M3 nylon nut thin type
ボディマウント
Body mount
M2.6X6CS
M2.6X6CS
M2.6X6CS
穴
Hole
ねじ切り
Threaded hole
M3X20CS
M3X20CS
M3X5CS
M3X5CS
C ø3Xø5X11
C ø3Xø5X11
ボディマウント
Body mount
仮止め
Temporarily set
仮止め
Temporarily set
仮止め
Temporarily set

Related product manuals