EasyManua.ls Logo

Hirobo Lepton EX - Landing Gear Installation

Hirobo Lepton EX
76 pages
Print Icon
To Next Page IconTo Next Page
To Next Page IconTo Next Page
To Previous Page IconTo Previous Page
To Previous Page IconTo Previous Page
Loading...
15
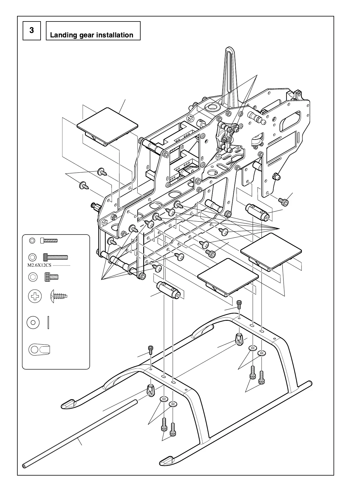
ランディングギヤの取付
  
M2.6X12CS
........................
4
M2X8CS
.............................
2
M3X5CS
..............................
4
M3X8TSトラス-2
.............
12
M3X8TS truss-2
M2.6X12CS
M3X5CS
M3X5CS
FW ø2.6Xø7.5X0.5Tクロ
.....
4
FW ø2.6Xø7.5X0.5T black
M2.6X12CS
M2X8CS
M2X8CS
FW ø2.6Xø7.5X0.5Tクロ
FW ø2.6Xø7.5X0.5T black
FW ø2.6Xø7.5X0.5Tクロ
FW ø2.6Xø7.5X0.5T black
M3X8TSトラス-2
M3X8TS truss-2
M3X8TSトラス-2
M3X8TS truss-2
M3X8TSトラス-2
M3X8TS truss-2
クロスメンバーM3X26
M2.6穴付
Cross member M3X26
with M2.6 holes
クロスメンバーM3X26
M2.6穴付
Cross member M3X26
with M2.6 holes
ジャイロマウント
Gyro mount
ジャイロマウント
Gyro mount
すべてのネジを締めた後、レバー
がスムーズに動くか確認してくだ
さい。
スムーズに動かないときはM2
イロンナットやM3X3SSをゆるめ
て、再度締めなおしてください。
After tightening all screws, check
that the lever moves smoothly.
If it does not move smoothly, loosen
the M2 nylon nut or M3X3SS, and
then retighten it.
先にスキッドに固定してか
らフレームに取付けると組
立てやすくなります。
It is easier to assemble by first
fixing the cross member to the
skid, and then attaching it to
the frame.
アンテナパイプ
Antenna pipe
必要な長さにカットして使用して
ください。
Cut the pipe to the required length.
ロッドエンドM2X9
..........
2
Rod end M2X9
ドエンM2X9
Rod end M2X9
ドエンM2X9
Rod end M2X9

Related product manuals