EasyManua.ls Logo

Hirobo SST-EAGLE3-WC - Page 22

Hirobo SST-EAGLE3-WC
64 pages
Print Icon
To Next Page IconTo Next Page
To Next Page IconTo Next Page
To Previous Page IconTo Previous Page
To Previous Page IconTo Previous Page
Loading...
20
9
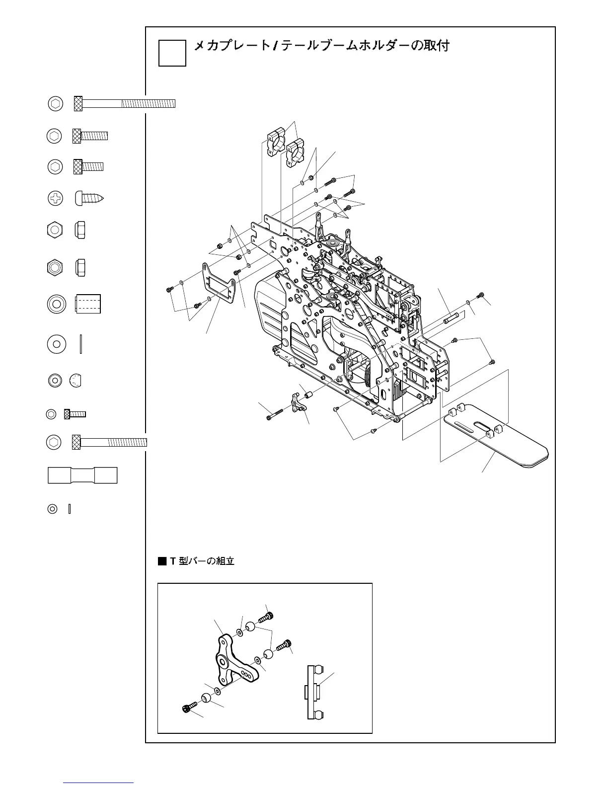
Attachment of the mechanical plate and the tail boom holder
M3X8CS
M3X8CS
M3X8TS
M3X8TS
C3X7X9.5
M3X8CS
M3X25CS
M3X10CS
M3X35CS
テールブームホルダー
Tail boom holder
(仮組み)
(Temporarily tighten)
(仮組み)
(Temporarily tighten)
FWø2.6Xø7X0.5
FWø2.6Xø7X0.5FWø2.6Xø7X0.5
FWø2.6Xø7X0.5
FWø2.6Xø7X0.5
M3X26クロスメンバー
M3X26 cross member
E3ラダーサーボマウント
E3 rudder servo mount
M3Uナット
M3 U nut
メカマウント
Mechanical mount
T型ピッチレバー
T-type pitch lever
M3ナイロンナット
FWø1.7
FWø1.7
FWø1.7
M2X6CS
EXø5ボール
EXø5 ball
EXø5ボール
EXø5 ball
M2X6CS
M2X6CS
厚い方
The thicker
part
T型ピッチレバー
T-type pitch lever
T-type bar assembly
M3X8CS ………………4
M3X8TS ………………4
M3X35CS ………………2
M3X26ンバ 1
M3X26 cross member
カラー3X7X9.5S ………1
M3ロンナッ …………1
M3 nylon nut
FWø2.6Xø7X0.5 ……11
M2X6CS ………………3
M3X25CS ………………1
collar3X7X9.5S
M3X10CS ………………2
EXφ5………………3
EXø5 ball
M3U ………………2
M3 U nut
FWø1.7 …………………3

Related product manuals