EasyManua.ls Logo

Hitachi RAW-35RHC - Temperature Detection Circuit

Hitachi RAW-35RHC
94 pages
Print Icon
To Next Page IconTo Next Page
To Next Page IconTo Next Page
To Previous Page IconTo Previous Page
To Previous Page IconTo Previous Page
Loading...
4 Electrical checks of main parts
Outdoor unit
SMGB0135 rev.0 - 06/2020
40
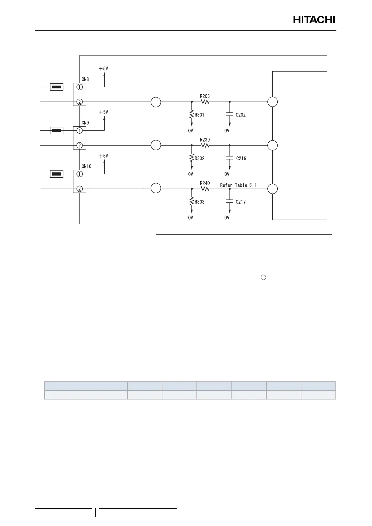
4.1.5 Temperature detection circuit
10
11
12
74
70
75
HIC PCB
Micro computer
OH
DEF
Outside air
temperature
Outside air
temperature
thermistor
DEF thermistor
OH thermistor
OH thermistor circuit detect the temperature at the surface of compressor head, DEF thermistor circuit detect the
defrosting operation temperature (evaporation temperature).
A thermistor is a negative resistor element which has characteristics that the higher (lower) the temperature, the lower
(higher) the resistance.
When the compressor is heated, the resistance of the OH thermistor becomes low and
+
5V is divided by OH
thermistor and R301 and the voltage at pin 74 of microcomputer.
Compare the voltage at microcomputer pin 74 and setting value stored inside. If the value exceed the set value,
microcomputer will judge that the compressor is overheated and stop the operation.
When frost is formed on the outdoor heat exchanger, the temperature at the exchanger drops abruptly. Therefore
the resistance of the DEF thermistor becomes high and the voltage at pin 70 of micro computer drops. If this voltage
becomes lower than the set value stored inside, microcomputer will enter the defrost control.
During defrost operation, the microcomputer will transfer the defrosting condition command to indoor unit via SD0 pin
of interface of IF transmission output.
The microcomputer read the outdoor temperature by outside air thermistor and transfer it to the indoor unit, thus
controlling the compressor rotation speed according to the set value in the EEPROM of indoor unit and switching the
operation mode (outdoor fan on/o󰀨 etc.) to DRY mode.
Below table show the typical values of outdoor temperature in relation to the voltage.
Outside Air Temperature (°C) -10 0 10 20 30 40
Voltage at both side of R303 (V) 1.19 1.69 2.23 2.75 3.22 3.62
? NOTE
• Whenthethermistorisopen,openconditionordisconnect,microcomputerpin70-74-75areapprox.0V;
• Whenthermistorisshorted,theyareapprox.5VandLD301willblink7times.
• However,anerrorisdetectedwhenonlytheOHthermistorisshortedandwillenterblinkingmodeafter12minutesstartthecompres-
soroperation.

Table of Contents

Related product manuals