EasyManua.ls Logo

Holley Terminator Stealth EFI - Page 47

Holley Terminator Stealth EFI
48 pages
Print Icon
To Next Page IconTo Next Page
To Next Page IconTo Next Page
To Previous Page IconTo Previous Page
To Previous Page IconTo Previous Page
Loading...
www.holley.com 47 1-866-464-6553
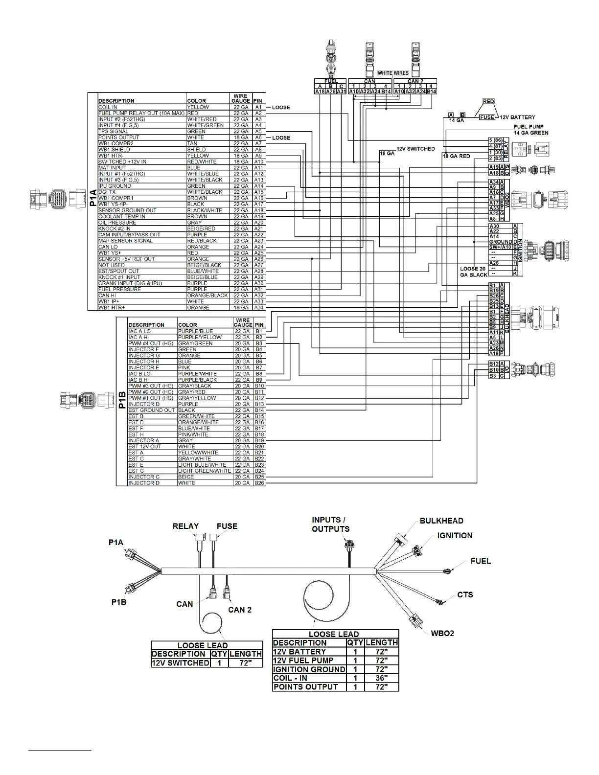
Figure 118
Figure 119

Table of Contents

Related product manuals