EasyManua.ls Logo

Holzmann ED 400FD - Page 45

Holzmann ED 400FD
47 pages
Print Icon
To Next Page IconTo Next Page
To Next Page IconTo Next Page
To Previous Page IconTo Previous Page
To Previous Page IconTo Previous Page
Loading...
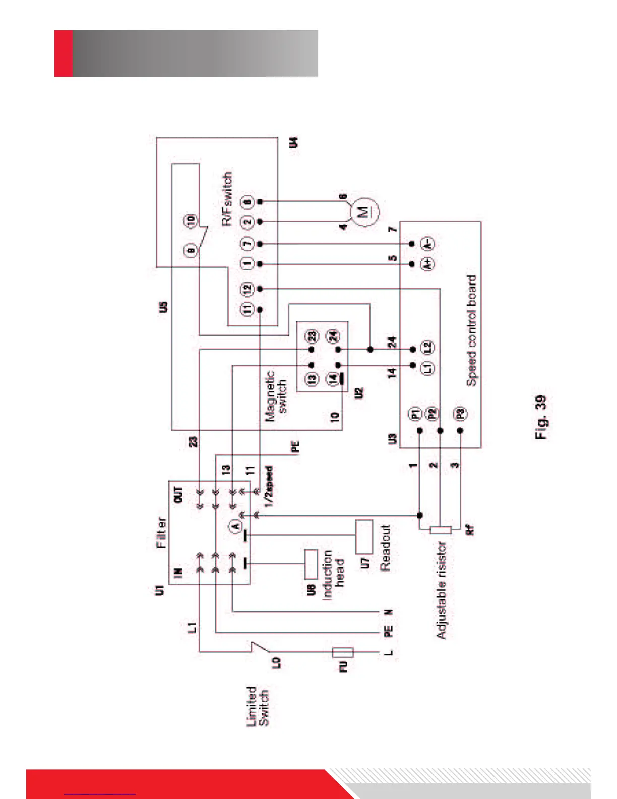
WIRING DIAGRAM / SCHALTPLAN

Related product manuals