EasyManua.ls Logo

Holzmann ED 750 FD - Page 47

Holzmann ED 750 FD
Print Icon
To Next Page IconTo Next Page
To Next Page IconTo Next Page
To Previous Page IconTo Previous Page
To Previous Page IconTo Previous Page
Loading...
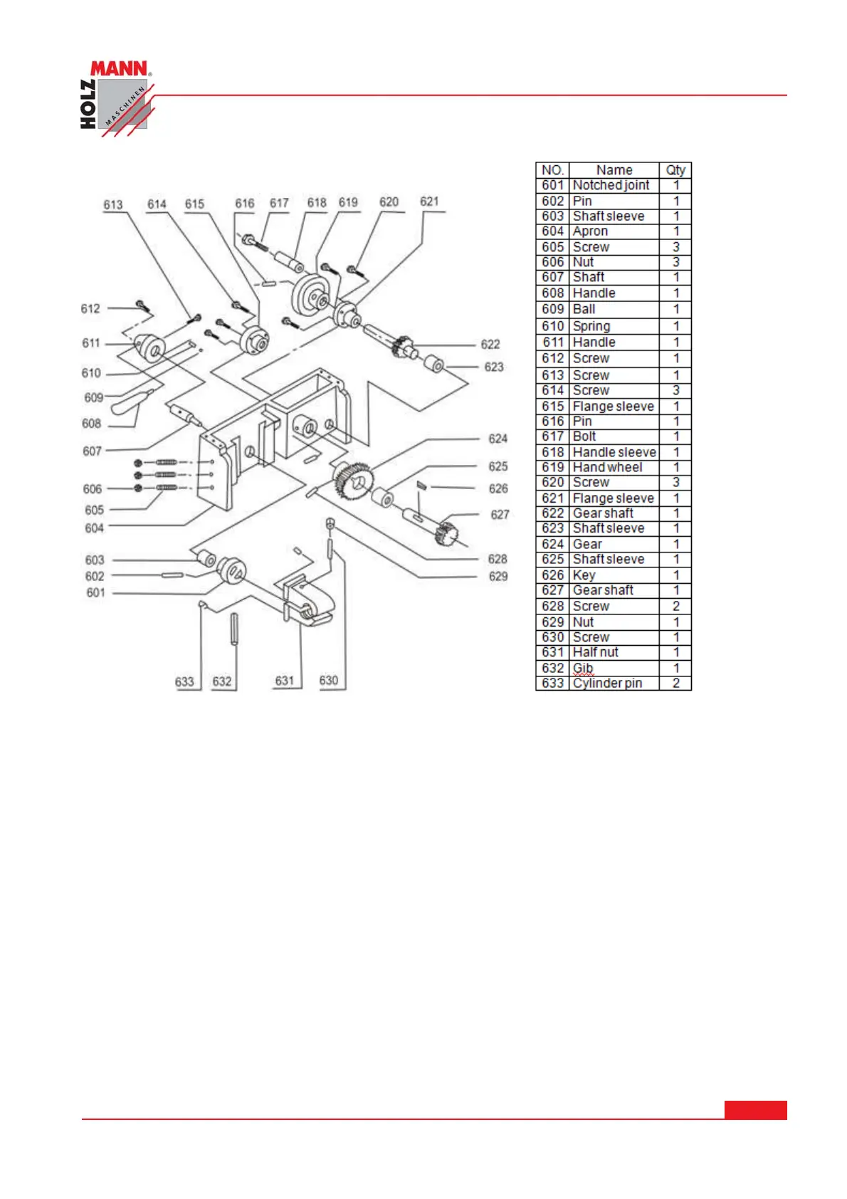
ERSATZTEI LE / SPARE PARTS
HOLZMANN MASCHINEN GmbH www.holzmann-maschinen.at
Seit e 4 7
METALLDREHMASCHINE / METAL TURNING LATHE ED 750FD

Table of Contents

Related product manuals