EasyManua.ls Logo

Holzmann TK 305 - Elektrické Schéma; Wiring Diagram

Holzmann TK 305
Print Icon
To Next Page IconTo Next Page
To Next Page IconTo Next Page
To Previous Page IconTo Previous Page
To Previous Page IconTo Previous Page
Loading...
HOLZMANN MASCHINEN GmbH www.holzmann-maschinen.at Strana 43
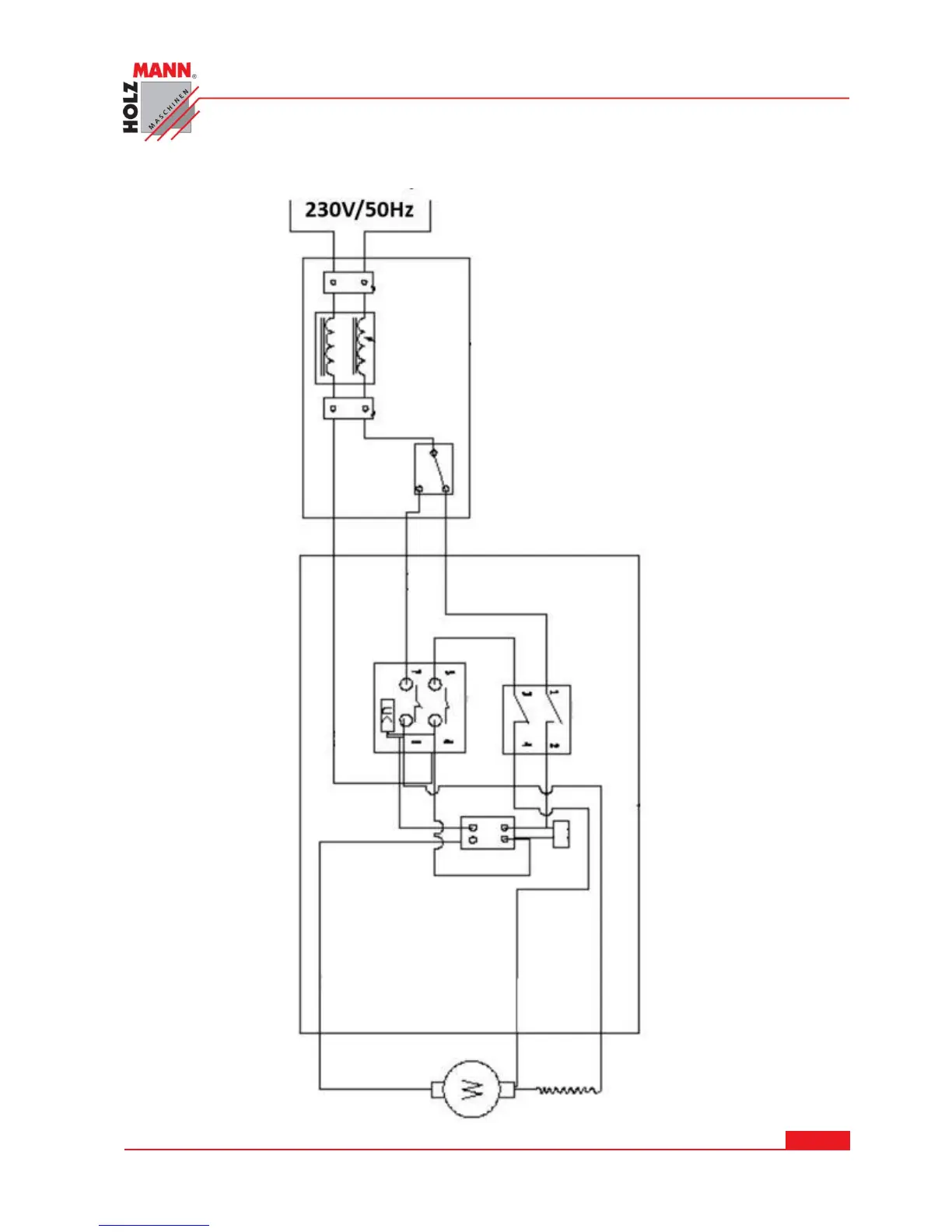
STOLNÍ A ZRACOVACÍ PILA / COMPOUND TABLE/MITRE SAW TK 305
17 ELEKTRICKÉ SCHÉMA / WIRING DIAGRAM

Related product manuals