EasyManua.ls Logo

Honeywell BENDIX/KING RDR 2000 - Page 103

Honeywell BENDIX/KING RDR 2000
128 pages
Print Icon
To Next Page IconTo Next Page
To Next Page IconTo Next Page
To Previous Page IconTo Previous Page
To Previous Page IconTo Previous Page
Loading...
BENDIX/KING RDR 2000
Rev 7, July/2002 00643I05.TDC Page 2-95
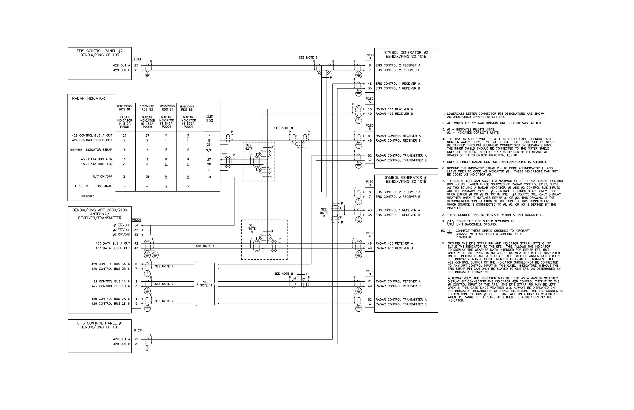
FIGURE 2-47 EFIS 10 INTERCONNECT
(1 INDICATOR, 2 CONTROL PANELS)(Dwg. No. 155-01636-0012 R-AB)

Table of Contents

Related product manuals