EasyManua.ls Logo

HTP PH100-55 - Piping Diagrams

HTP PH100-55
58 pages
Print Icon
To Next Page IconTo Next Page
To Next Page IconTo Next Page
To Previous Page IconTo Previous Page
To Previous Page IconTo Previous Page
Loading...
18
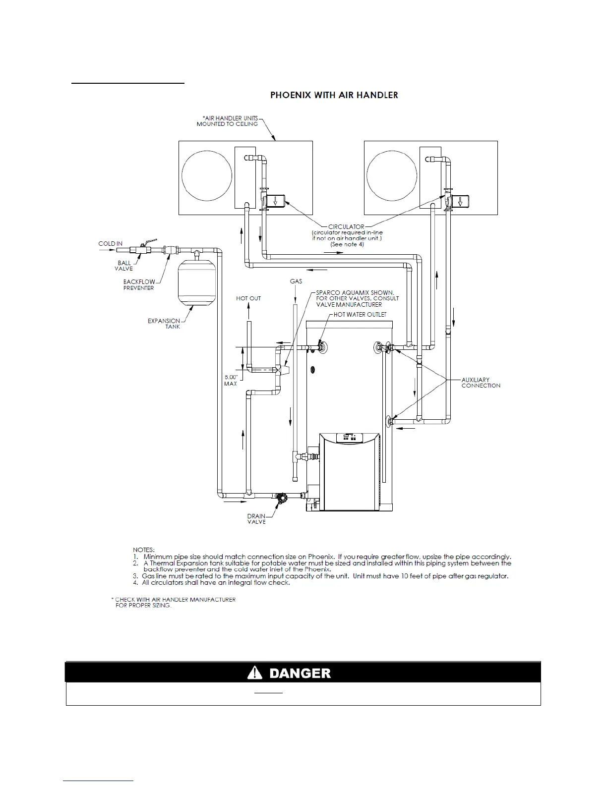
H. PIPING DIAGRAMS
Figure 4 – LP-179-L - NOTE: This drawing is meant to demonstrate system piping only. The installer is
responsible for all equipment and detailing required by local codes. In Massachusetts, you must install a
vacuum relief valve per 248 CMR. With air handlers, outdoor reset is available with an outdoor sensor. See
Part 9, Section D.
An ASSE 1017 thermostatic mixing valve MUST be installed when using outdoor reset. Failure to do so
could result in substantial property damage, serious injury, or death.

Table of Contents

Related product manuals