EasyManua.ls Logo

Hydro-Pro Hydro-Pro+Premium 7 - Page 110

Hydro-Pro Hydro-Pro+Premium 7
202 pages
Print Icon
To Next Page IconTo Next Page
To Next Page IconTo Next Page
To Previous Page IconTo Previous Page
To Previous Page IconTo Previous Page
Loading...
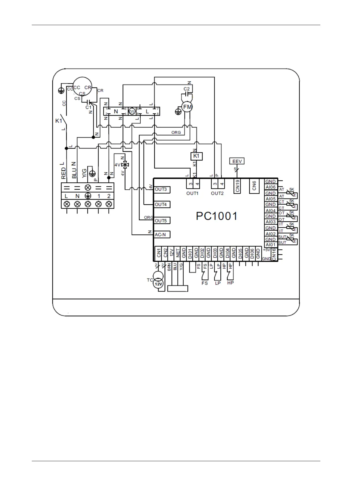
6 BIJLAGE
36
6.7. Bijlage 7
Schakelschema Hydro-Pro+Premium 10
AT:
Omgevingstemperatuur
COMP:
Compressor
CT:
Spoeltemperatuur
EEV:
Elektronische expansieklep
FM:
Ventilatormotor
FS:
Stromingsschakelaar
HP:
Hogedrukbeveiliging
IT:
Temperatuur aangevoerd water
K1:
Relais van compressor
LP:
Lagedrukbeveiliging
OT:
Temperatuur afgevoerd water
SUT:
Aanzuigtemperatuur
TC:
Transformator
4V:
4-wegklep
Naar
pomp
NAAR VOEDING
220 V-240 V~/50 Hz
Controller
WHT
RED
BLK
BLU
RED
Hydro-Pro + Premium 10
COMP
RED

Table of Contents

Related product manuals