EasyManua.ls Logo

Hypertherm HyPerformance HPR400XD Auto Gas - Page 290

Hypertherm HyPerformance HPR400XD Auto Gas
355 pages
Print Icon
To Next Page IconTo Next Page
To Next Page IconTo Next Page
To Previous Page IconTo Previous Page
To Previous Page IconTo Previous Page
Loading...
7-7
17
18
16
14
15
13
9
10
8
7
5
6
4
12
3
2
1
11
3
6
5
4
2
1
1
4
5
6
2
3
6
3
5
4
2
1
J11 J2.11
J1 J2.1
J2.B
J4
ORN 240VAC
RED 120VAC
YEL 24VAC
J15
J9
041802
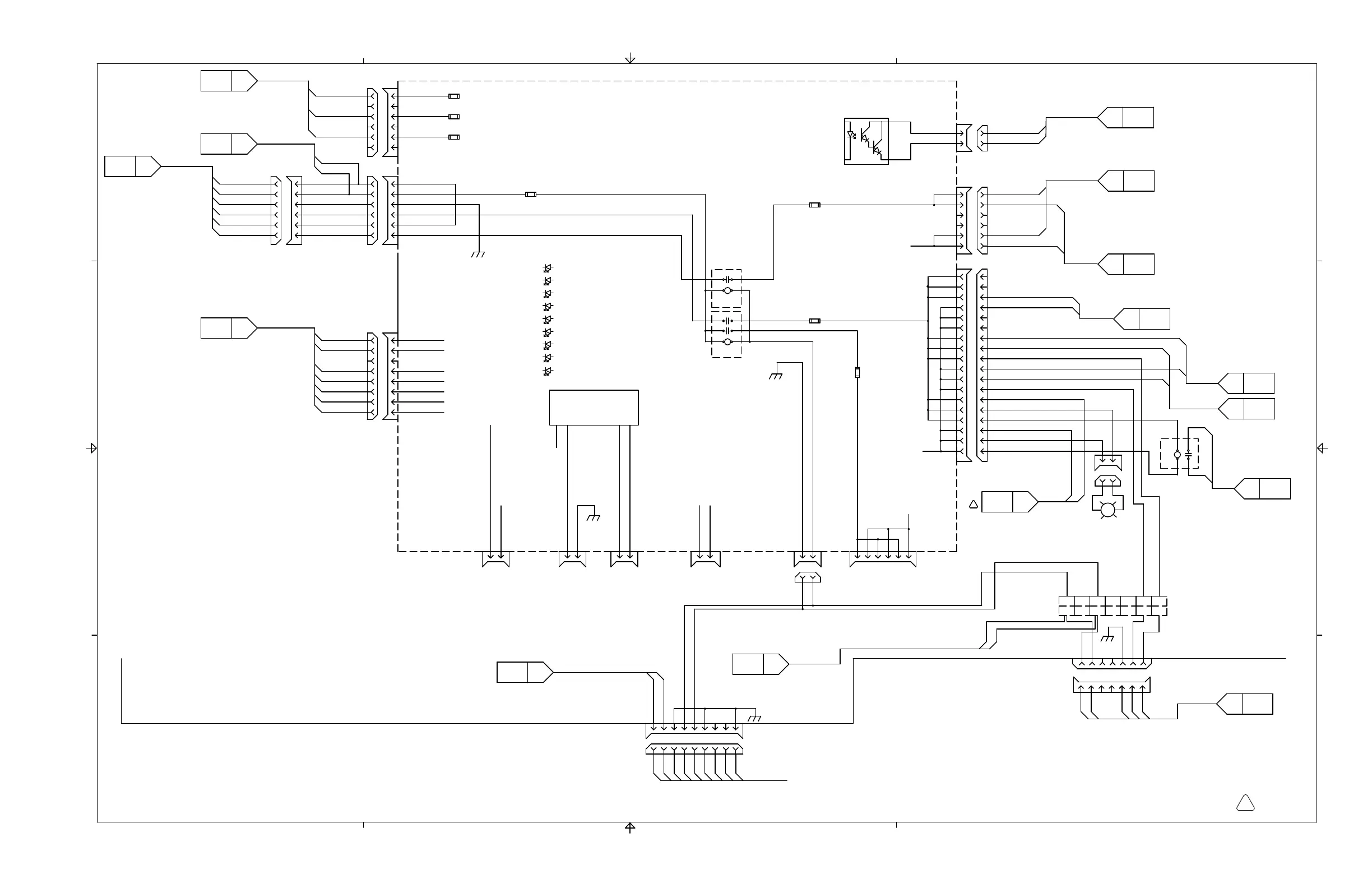
POWER DISTRIBUTION
PCB2
1 2 21
J12
J13
120VAC HOT
120VAC RTN
24VAC
120VAC
240VAC
1
2
3
4
5
6
240VAC HOT
240VAC RTN
1
2
J8
J2.8
PHASE LOSS OUTPUT
1A
1B
1C
J2.15
6
5
3
4
2
J14
1
J7
1 2
J2.7
J2.14
+5V
-15V
+5V COM
+15V
+/-15V COM
+24V
+24V COM
24VAC HOT
24VAC RTN
COM
240VAC
-
24VAC
+
-
PUMP MOTOR
+
COM
PUMP MOTOR CNTRL
REMOTE ON/OFF
BLU
WHT
BLU
WHT
BLU
WHT
RED
BLK
YEL
BLK
BLK
BLK
RED/BLK
RED
RED/BLK
RED
RED/BLK
RED
K1
K2
F3
F1
F4
F2
F5
F6
F7
D3 120VAC
D26 Pump motor signal
D12 24VAC
D32 -15V
D23 240VAC
D31 +5V
D25 +24V
D33 +15V
7
8
PHASE LOSS INPUT
240VAC HOT
AC1
AC2
K3
+
U5
CHOPPER
POWER
PA
POWER
-
D35 Remote
+24V TEST CONNECTOR
COM
21
J16
LINE VOLTAGE OUTPUT
1 2
COM
SIGNAL
J2
BLK
WHT
7
6
WHT
BLK
REMOTE ON/OFF
WHT
RED
TB2
1
2
3
4
5
CABLE: 123674
BLK
SHD
RED
RED
RED/BLK
1X1
6 RED
7 RED/BLK
CONTROL
WHT
RED
WHT
RED
AC
POWER
LIGHT
RED/BLK
RED
2
1
POWER
PUMP MOTOR DRIVE
COOLOANT SOLONOID
POWER
BLK
WHT
PHASE LOSS
COOLER
POWER
RED/BLK
RED
1
4
5
6
2
3
J2.4
J2.A
ORN 240VAC
RED 120VAC
YEL 24VAC
WHT
RED
HARNESS: 229329
FOR ARCGLIDE THC ONLY
WHT
RED
HARNESS: 229329
FOR ARCGLIDE THC ONLY
K?
RED
RED/BLK
DC CONTACTOR
SECONDARY REMOTE
ON/OFF
RED/BLK
RED
RED
WHT
RED
RED/BLK
6
5
3
4
2
1
7
8
9
SECONDARY REMOTE ON/OFF
RED
WHT
REMOTE ON/OFF FROM PRIMARY
RED
WHT
CABLE: 223071
SEE PAGE 19 FOR
DETAILS OF INTERFACE
BETWEEN PRIMARY
AND SECONDARY
SYSTEMS
A
B
C
4
3 2
D
4
3 2
1
A
B
C
1
D
003142
SECONDARY
REMOTE ON/OFF
1X7
SHEET
2-A4
A
SHEET
5-D1
T
SHEET
6-D4
O
SHEET
2-D3
B
SHEET
2-D2
E
SHEET
2-A1
L
SHEET
7-D4
U
3
3
21
21
SHEET
12-A4
EE
5 6 74
654 7
SHEET
19-A4
BB
SHEET
19-A4
AA
SHEET
11-D4
BC
SHEET
11-B4
BD
SHEET
2-B4
Q
SHEET
3-A3
R
F
SHEET
3-B1
R
ELEC SCH:HPR400XD POWER SUPPLY W/AUTO
F
013374
SHEET 3 OF 24

Table of Contents

Related product manuals